0,00 zł
Netto
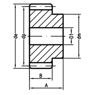
KZM1Z67H
- Szerokość koła[A]
- 25
- Ilość zębów (z)
- 67
- Średnica zewnętrzna koła (de)
- 69
- Średnica podziałowa koła (dp)
- 67
- Wykonanie (wyk)
- A
- Masa (kg)
- 0,55
- Szerokość uzębienia [B]
- 15
- Hartowanie
- TAK
- Modul
- 1
- Średnica piasty (dm)
- 50
- Średnica otworu wstępnego (D1)
- 12
