32,80 zł
          
          
                      
                  
        
                  
      
              Netto
                    
              
                        
  
        
        KZM2Z37H
      
      
  
          
        
        88 Przedmioty
      
      
  
      
  
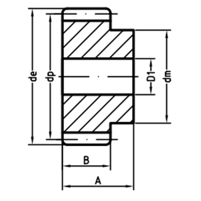
    - Szerokość koła[A]
 - 35
 - Ilość zębów (z)
 - 37
 - Średnica zewnętrzna koła (de)
 - 78
 - Średnica podziałowa koła (dp)
 - 74
 - Wykonanie (wyk)
 - A
 - Masa (kg)
 - 0,86
 - Szerokość uzębienia [B]
 - 20
 - Hartowanie
 - TAK
 - Modul
 - 2
 - Średnica piasty (dm)
 - 50
 - Średnica otworu wstępnego (D1)
 - 14
 
