38,58 zł
          
          
                      
                  
        
                  
      
              Netto
                    
              
                        
  
        
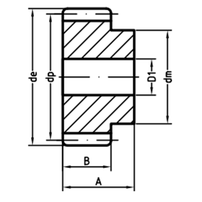
        KZM2.5Z33H
      
      
  
          
        
        116 Przedmioty
      
      
  
      
  
    - Szerokość koła[A]
 - 40
 - Ilość zębów (z)
 - 33
 - Średnica zewnętrzna koła (de)
 - 87,5
 - Średnica podziałowa koła (dp)
 - 82,5
 - Wykonanie (wyk)
 - A
 - Masa (kg)
 - 1,34
 - Szerokość uzębienia [B]
 - 25
 - Hartowanie
 - TAK
 - Modul
 - 2,5
 - Średnica piasty (dm)
 - 55
 - Średnica otworu wstępnego (D1)
 - 16
 
