65,87 zł
Netto
KZM4Z22H
180 Przedmioty
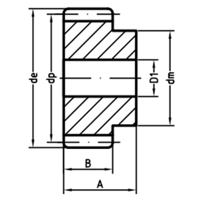
- Szerokość koła[A]
- 60
- Ilość zębów (z)
- 22
- Średnica zewnętrzna koła (de)
- 96
- Średnica podziałowa koła (dp)
- 88
- Wykonanie (wyk)
- A
- Masa (kg)
- 2,39
- Szerokość uzębienia [B]
- 40
- Hartowanie
- TAK
- Modul
- 4
- Średnica piasty (dm)
- 70
- Średnica otworu wstępnego (D1)
- 16
20
