Koło łańcuchowe bez piasty 04B-1 Z42 hartowane indukcyjnie
P04B1042HT
Koła łańcuchowe bez piasty z hartowanymi indukcyjnie zębami, 42 zębów pod łańcuch 04B-1 - 6 x 2.8mm wg norm DIN, ISO, PN.
0,00 zł
Netto
P04B1042HT
- MARKA
- Terson
- MATERIAŁ
- Stal C45 | 1.0503
- WYKOŃCZENIE
- Brak
- ODPORNOŚĆ KOROZYJNA
- Brak
- ZAKRES TEMPERATUR
- -40°C - 175°C
- ODPORNOŚĆ NA ZUŻYCIE
- Znakomita
- WYTRZYMAŁOŚĆ
- Znakomita
- Order number
- 20-642-0175
- Chain No.
- 20-642-0175
- Łańcuch
- 04B-1
- Pitch x Width[PxW]
- 6 x 2.8mm
- Liczba zębów[Z]
- 42
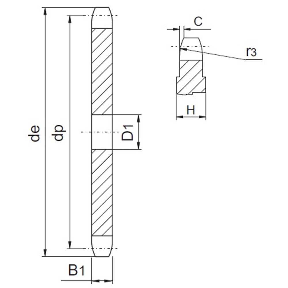
- Średnica zewnętrzna[de]
- 82,7
- Średnica podziałowa[dp]
- 80,28
- Promień zęba[r3]
- 6
- Szerokość zaokrąglenia[C]
- 0,7
- Szrokość zęba[B1]
- 2,6
- Szerokość zęba[H]
- 2,6
- Średnica otworu[D1]
- 10
- Masa
- 0,11
- OBRÓBKA | TWARDOŚĆ
- 50 ± 5 HRC - Indukcyjnie hartowane zęby
Koła łańcuchowe bez piasty z hartowanymi indukcyjnie zębami, 42 zębów pod łańcuch 04B-1 - 6 x 2.8mm wg norm DIN, ISO, PN.
