Koło łańcuchowe bez piasty 06B-1 Z60 hartowane indukcyjnie
P06B1060HT
Koła łańcuchowe bez piasty z hartowanymi indukcyjnie zębami, 60 zębów pod łańcuch 06B-1 - 3/8″ x 7/32″ wg norm DIN, ISO, PN.
21,05 zł
Netto
P06B1060HT
- MARKA
- Terson
- MATERIAŁ
- Stal C45 | 1.0503
- WYKOŃCZENIE
- Brak
- ODPORNOŚĆ KOROZYJNA
- Brak
- ZAKRES TEMPERATUR
- -40°C - 175°C
- ODPORNOŚĆ NA ZUŻYCIE
- Znakomita
- WYTRZYMAŁOŚĆ
- Znakomita
- Order number
- 20-646-0265
- Chain No.
- 20-646-0265
- Łańcuch
- 06B-1
- Pitch x Width[PxW]
- 3/8″ x 7/32″
- Liczba zębów[Z]
- 60
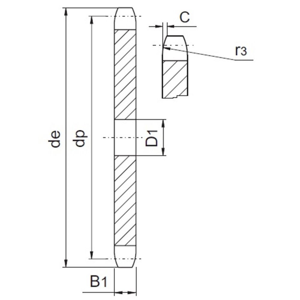
- Średnica zewnętrzna[de]
- 186,0
- Średnica podziałowa[dp]
- 181,99
- Promień zęba[r3]
- 10
- Szerokość zaokrąglenia[C]
- 1
- Szrokość zęba[B1]
- 5,3
- Średnica otworu[D1]
- 16
- Masa
- 1,08
- OBRÓBKA | TWARDOŚĆ
- 50 ± 5 HRC - Indukcyjnie hartowane zęby
Koła łańcuchowe bez piasty z hartowanymi indukcyjnie zębami, 60 zębów pod łańcuch 06B-1 - 3/8″ x 7/32″ wg norm DIN, ISO, PN.
