Koło łańcuchowe bez piasty 06B-3 Z34 hartowane indukcyjnie
P06B3034HT
Koła łańcuchowe bez piasty z hartowanymi indukcyjnie zębami, 34 zębów pod łańcuch 06B-3 - 3/8″ x 7/32″ wg norm DIN, ISO, PN.
0,00 zł
Netto
P06B3034HT
- MARKA
- Terson
- MATERIAŁ
- Stal C45 | 1.0503
- WYKOŃCZENIE
- Brak
- ODPORNOŚĆ KOROZYJNA
- Brak
- ZAKRES TEMPERATUR
- -40°C - 175°C
- ODPORNOŚĆ NA ZUŻYCIE
- Znakomita
- WYTRZYMAŁOŚĆ
- Znakomita
- Order number
- 20-750-0135
- Chain No.
- 20-750-0135
- Łańcuch
- 06B-3
- Pitch x Width[PxW]
- 3/8″ x 7/32″
- Liczba zębów[Z]
- 34
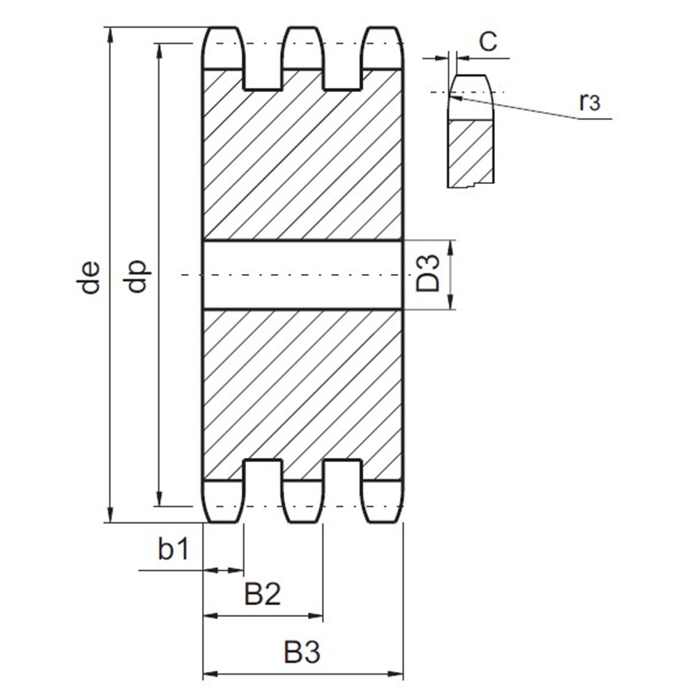
- Średnica zewnętrzna[de]
- 107,3
- Średnica podziałowa[dp]
- 103,23
- Promień zęba[r3]
- 10
- Szerokość zaokrąglenia[C]
- 1
- Szrokość zęba[B1]
- 5,3
- Masa
- 1,65
- Szerokość zęba[b]
- 5,2
- Szerokość zębów[B2]
- 15,4
- Szerokość zębów[B3]
- 25,6
- Średnica otworu[D3]
- 16
- OBRÓBKA | TWARDOŚĆ
- 50 ± 5 HRC - Indukcyjnie hartowane zęby
Koła łańcuchowe bez piasty z hartowanymi indukcyjnie zębami, 34 zębów pod łańcuch 06B-3 - 3/8″ x 7/32″ wg norm DIN, ISO, PN.
