Koło łańcuchowe bez piasty 081B-1 Z95 hartowane indukcyjnie
P081B1095HT
Koła łańcuchowe bez piasty z hartowanymi indukcyjnie zębami, 95 zębów pod łańcuch 081B-1 - 1/2″ x 1/8″ wg norm DIN, ISO, PN.
0,00 zł
Netto
P081B1095HT
- MARKA
- Terson
- MATERIAŁ
- Stal C45 | 1.0503
- WYKOŃCZENIE
- Brak
- ODPORNOŚĆ KOROZYJNA
- Brak
- ZAKRES TEMPERATUR
- -40°C - 175°C
- ODPORNOŚĆ NA ZUŻYCIE
- Znakomita
- WYTRZYMAŁOŚĆ
- Znakomita
- Order number
- 20-650-0330
- Chain No.
- 20-650-0330
- Łańcuch
- 081B-1
- Pitch x Width[PxW]
- 1/2″ x 1/8″
- Liczba zębów[Z]
- 95
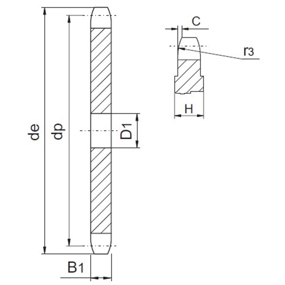
- Średnica zewnętrzna[de]
- 390,1
- Średnica podziałowa[dp]
- 384,10
- Promień zęba[r3]
- 13
- Szerokość zaokrąglenia[C]
- 1
- Szrokość zęba[B1]
- 3
- Szerokość zęba[H]
- 6
- Średnica otworu[D1]
- 25
- Masa
- 5,44
- OBRÓBKA | TWARDOŚĆ
- 50 ± 5 HRC - Indukcyjnie hartowane zęby
Koła łańcuchowe bez piasty z hartowanymi indukcyjnie zębami, 95 zębów pod łańcuch 081B-1 - 1/2″ x 1/8″ wg norm DIN, ISO, PN.
