Koło łańcuchowe bez piasty 083B/084B-1 Z19 hartowane indukcyjnie
P083B1019HT
Koła łańcuchowe bez piasty z hartowanymi indukcyjnie zębami, 19 zębów pod łańcuch 083B/084B-1 - 1/2″ x 3/16″ wg norm DIN, ISO, PN.
0,00 zł
Netto
P083B1019HT
- MARKA
- Terson
- MATERIAŁ
- Stal C45 | 1.0503
- WYKOŃCZENIE
- Brak
- ODPORNOŚĆ KOROZYJNA
- Brak
- ZAKRES TEMPERATUR
- -40°C - 175°C
- ODPORNOŚĆ NA ZUŻYCIE
- Znakomita
- WYTRZYMAŁOŚĆ
- Znakomita
- Order number
- 20-652-0060
- Chain No.
- 20-652-0060
- Łańcuch
- 083B/084B-1
- Pitch x Width[PxW]
- 1/2″ x 3/16″
- Liczba zębów[Z]
- 19
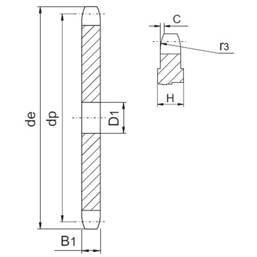
- Średnica zewnętrzna[de]
- 82,9
- Średnica podziałowa[dp]
- 77,16
- Promień zęba[r3]
- 13
- Szerokość zaokrąglenia[C]
- 1,3
- Szrokość zęba[B1]
- 4,5
- Szerokość zęba[H]
- 4,5
- Średnica otworu[D1]
- 8
- Masa
- 0,17
- OBRÓBKA | TWARDOŚĆ
- 50 ± 5 HRC - Indukcyjnie hartowane zęby
Koła łańcuchowe bez piasty z hartowanymi indukcyjnie zębami, 19 zębów pod łańcuch 083B/084B-1 - 1/2″ x 3/16″ wg norm DIN, ISO, PN.
