Koło łańcuchowe bez piasty 08B-1 Z59 hartowane indukcyjnie
P08B1059HT
Koła łańcuchowe bez piasty z hartowanymi indukcyjnie zębami, 59 zębów pod łańcuch 08B-1 - 1/2″ x 5/16″ wg norm DIN, ISO, PN.
0,00 zł
Netto
P08B1059HT
- MARKA
- Terson
- MATERIAŁ
- Stal C45 | 1.0503
- WYKOŃCZENIE
- Brak
- ODPORNOŚĆ KOROZYJNA
- Brak
- ZAKRES TEMPERATUR
- -40°C - 175°C
- ODPORNOŚĆ NA ZUŻYCIE
- Znakomita
- WYTRZYMAŁOŚĆ
- Znakomita
- Order number
- 20-648-0260
- Chain No.
- 20-648-0260
- Łańcuch
- 08B-1
- Pitch x Width[PxW]
- 1/2″ x 5/16″
- Liczba zębów[Z]
- 59
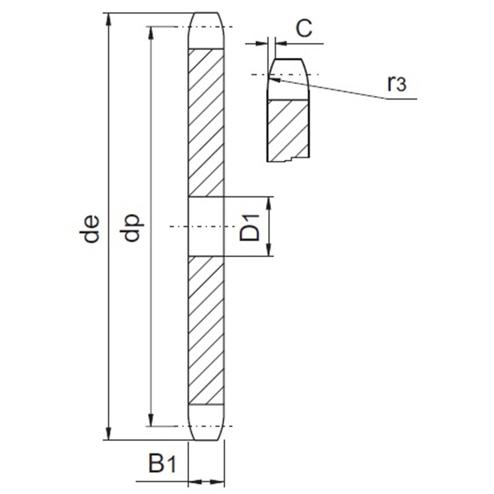
- Średnica zewnętrzna[de]
- 244,5
- Średnica podziałowa[dp]
- 238,62
- Promień zęba[r3]
- 13
- Szerokość zaokrąglenia[C]
- 1,3
- Szrokość zęba[B1]
- 7,2
- Średnica otworu[D1]
- 20
- Masa
- 2,51
- OBRÓBKA | TWARDOŚĆ
- 50 ± 5 HRC - Indukcyjnie hartowane zęby
Koła łańcuchowe bez piasty z hartowanymi indukcyjnie zębami, 59 zębów pod łańcuch 08B-1 - 1/2″ x 5/16″ wg norm DIN, ISO, PN.
