Koło łańcuchowe bez piasty 08B-3 Z90 hartowane indukcyjnie
P08B3090HT
Koła łańcuchowe bez piasty z hartowanymi indukcyjnie zębami, 90 zębów pod łańcuch 08B-3 - 1/2″ x 5/16″ wg norm DIN, ISO, PN.
0,00 zł
Netto
P08B3090HT
- MARKA
- Terson
- MATERIAŁ
- Stal C45 | 1.0503
- WYKOŃCZENIE
- Brak
- ODPORNOŚĆ KOROZYJNA
- Brak
- ZAKRES TEMPERATUR
- -40°C - 175°C
- ODPORNOŚĆ NA ZUŻYCIE
- Znakomita
- WYTRZYMAŁOŚĆ
- Znakomita
- Order number
- 20-752-0330
- Chain No.
- 20-752-0330
- Łańcuch
- 08B-3
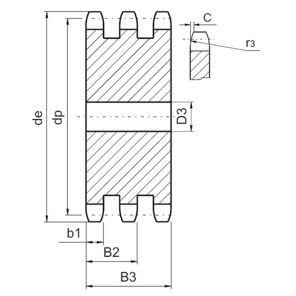
- Pitch x Width[PxW]
- 1/2″ x 5/16″
- Liczba zębów[Z]
- 90
- Średnica zewnętrzna[de]
- 369,9
- Średnica podziałowa[dp]
- 363,90
- Promień zęba[r3]
- 13
- Szerokość zaokrąglenia[C]
- 1,3
- Szrokość zęba[B1]
- 7,2
- Masa
- 28,36
- Szerokość zęba[b]
- 7
- Szerokość zębów[B2]
- 21
- Szerokość zębów[B3]
- 34,9
- Średnica otworu[D3]
- 25
- OBRÓBKA | TWARDOŚĆ
- 50 ± 5 HRC - Indukcyjnie hartowane zęby
Koła łańcuchowe bez piasty z hartowanymi indukcyjnie zębami, 90 zębów pod łańcuch 08B-3 - 1/2″ x 5/16″ wg norm DIN, ISO, PN.
