Koło łańcuchowe bez piasty 10B-1 Z72 hartowane indukcyjnie
P10B1072HT
Koła łańcuchowe bez piasty z hartowanymi indukcyjnie zębami, 72 zębów pod łańcuch 10B-1 - 5/8″ x 3/8″ wg norm DIN, ISO, PN.
0,00 zł
Netto
P10B1072HT
- MARKA
- Terson
- MATERIAŁ
- Stal C45 | 1.0503
- WYKOŃCZENIE
- Brak
- ODPORNOŚĆ KOROZYJNA
- Brak
- ZAKRES TEMPERATUR
- -40°C - 175°C
- ODPORNOŚĆ NA ZUŻYCIE
- Znakomita
- WYTRZYMAŁOŚĆ
- Znakomita
- Order number
- 20-656-0300
- Chain No.
- 20-656-0300
- Łańcuch
- 10B-1
- Pitch x Width[PxW]
- 5/8″ x 3/8″
- Liczba zębów[Z]
- 72
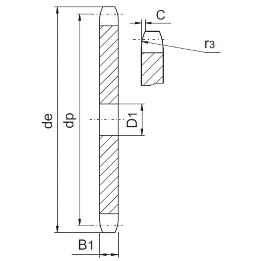
- Średnica zewnętrzna[de]
- 371,9
- Średnica podziałowa[dp]
- 363,94
- Promień zęba[r3]
- 16
- Szerokość zaokrąglenia[C]
- 1,6
- Szrokość zęba[B1]
- 9,1
- Średnica otworu[D1]
- 25
- Masa
- 7,40
- OBRÓBKA | TWARDOŚĆ
- 50 ± 5 HRC - Indukcyjnie hartowane zęby
Koła łańcuchowe bez piasty z hartowanymi indukcyjnie zębami, 72 zębów pod łańcuch 10B-1 - 5/8″ x 3/8″ wg norm DIN, ISO, PN.
