Koło łańcuchowe bez piasty 10B-3 Z90 hartowane indukcyjnie
P10B3090HT
Koła łańcuchowe bez piasty z hartowanymi indukcyjnie zębami, 90 zębów pod łańcuch 10B-3 - 5/8″ x 3/8″ wg norm DIN, ISO, PN.
0,00 zł
Netto
P10B3090HT
- MARKA
- Terson
- MATERIAŁ
- Stal C45 | 1.0503
- WYKOŃCZENIE
- Brak
- ODPORNOŚĆ KOROZYJNA
- Brak
- ZAKRES TEMPERATUR
- -40°C - 175°C
- ODPORNOŚĆ NA ZUŻYCIE
- Znakomita
- WYTRZYMAŁOŚĆ
- Znakomita
- Order number
- 20-754-0330
- Chain No.
- 20-754-0330
- Łańcuch
- 10B-3
- Pitch x Width[PxW]
- 5/8″ x 3/8″
- Liczba zębów[Z]
- 90
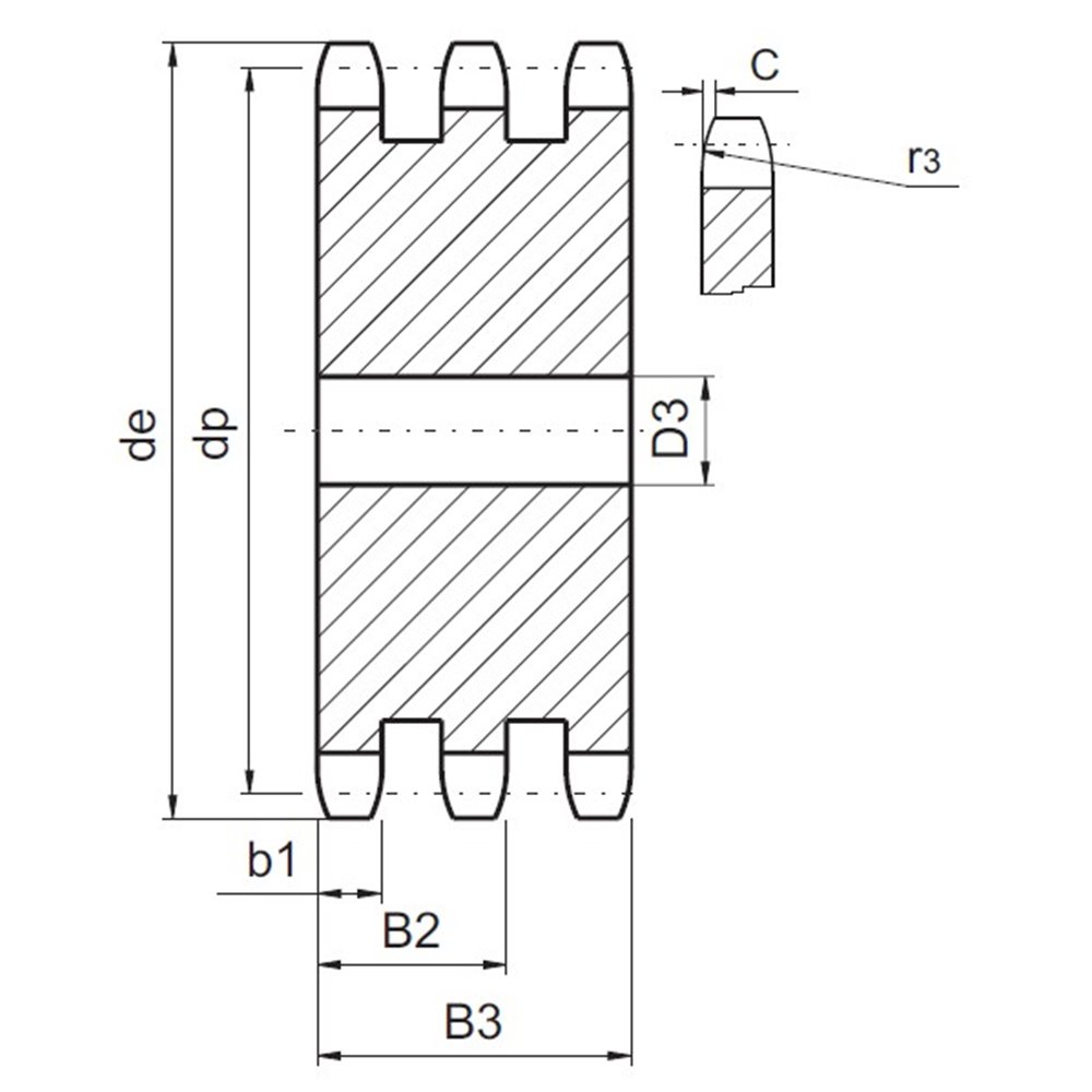
- Średnica zewnętrzna[de]
- 462,8
- Średnica podziałowa[dp]
- 454,88
- Promień zęba[r3]
- 16
- Szerokość zaokrąglenia[C]
- 1,6
- Szrokość zęba[B1]
- 9,1
- Masa
- 53,48
- Szerokość zęba[b]
- 9
- Szerokość zębów[B2]
- 25,5
- Szerokość zębów[B3]
- 42,1
- Średnica otworu[D3]
- 30
- OBRÓBKA | TWARDOŚĆ
- 50 ± 5 HRC - Indukcyjnie hartowane zęby
Koła łańcuchowe bez piasty z hartowanymi indukcyjnie zębami, 90 zębów pod łańcuch 10B-3 - 5/8″ x 3/8″ wg norm DIN, ISO, PN.
