Koło łańcuchowe bez piasty 12B-1 Z32 hartowane indukcyjnie
P12B1032HT
Koła łańcuchowe bez piasty z hartowanymi indukcyjnie zębami, 32 zębów pod łańcuch 12B-1 - 3/4″ x 7/16″ wg norm DIN, ISO, PN.
42,72 zł
Netto
P12B1032HT
- MARKA
- Terson
- MATERIAŁ
- Stal C45 | 1.0503
- WYKOŃCZENIE
- Brak
- ODPORNOŚĆ KOROZYJNA
- Brak
- ZAKRES TEMPERATUR
- -40°C - 175°C
- ODPORNOŚĆ NA ZUŻYCIE
- Znakomita
- WYTRZYMAŁOŚĆ
- Znakomita
- Order number
- 20-658-0125
- Chain No.
- 20-658-0125
- Łańcuch
- 12B-1
- Pitch x Width[PxW]
- 3/4″ x 7/16″
- Liczba zębów[Z]
- 32
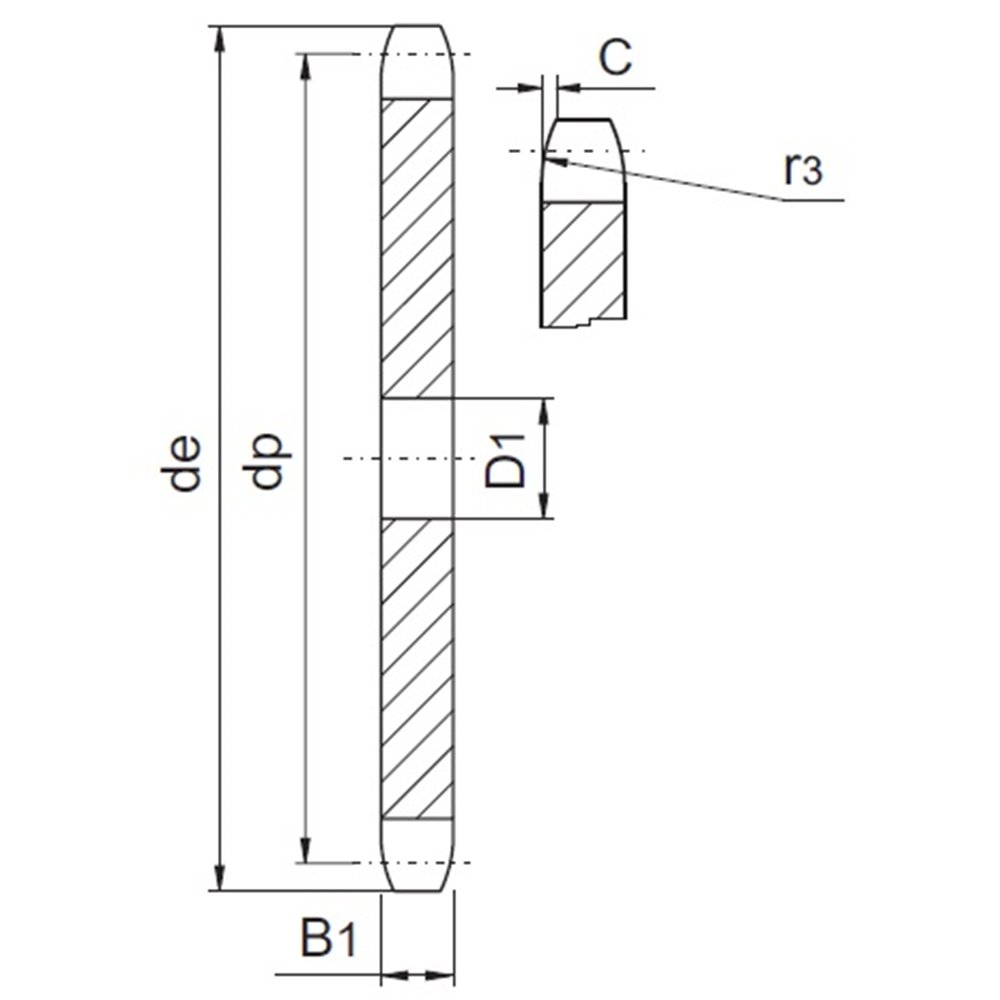
- Średnica zewnętrzna[de]
- 203,3
- Średnica podziałowa[dp]
- 194,35
- Promień zęba[r3]
- 19
- Szerokość zaokrąglenia[C]
- 2
- Szrokość zęba[B1]
- 11,1
- Średnica otworu[D1]
- 20
- Masa
- 2,56
- OBRÓBKA | TWARDOŚĆ
- 50 ± 5 HRC - Indukcyjnie hartowane zęby
Koła łańcuchowe bez piasty z hartowanymi indukcyjnie zębami, 32 zębów pod łańcuch 12B-1 - 3/4″ x 7/16″ wg norm DIN, ISO, PN.
