Koło łańcuchowe bez piasty 12B-3 Z30 hartowane indukcyjnie
P12B3030HT
Koła łańcuchowe bez piasty z hartowanymi indukcyjnie zębami, 30 zębów pod łańcuch 12B-3 - 3/4″ x 7/16″ wg norm DIN, ISO, PN.
0,00 zł
Netto
P12B3030HT
- MARKA
- Terson
- MATERIAŁ
- Stal C45 | 1.0503
- WYKOŃCZENIE
- Brak
- ODPORNOŚĆ KOROZYJNA
- Brak
- ZAKRES TEMPERATUR
- -40°C - 175°C
- ODPORNOŚĆ NA ZUŻYCIE
- Znakomita
- WYTRZYMAŁOŚĆ
- Znakomita
- Order number
- 20-756-0115
- Chain No.
- 20-756-0115
- Łańcuch
- 12B-3
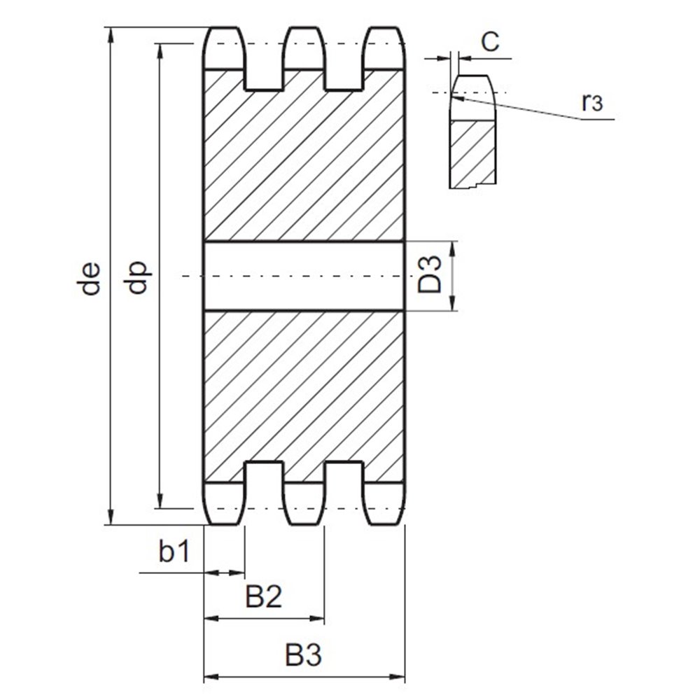
- Pitch x Width[PxW]
- 3/4″ x 7/16″
- Liczba zębów[Z]
- 30
- Średnica zewnętrzna[de]
- 190,5
- Średnica podziałowa[dp]
- 182,25
- Promień zęba[r3]
- 19
- Szerokość zaokrąglenia[C]
- 2
- Szrokość zęba[B1]
- 11,1
- Masa
- 10,08
- Szerokość zęba[b]
- 10,8
- Szerokość zębów[B2]
- 30,3
- Szerokość zębów[B3]
- 49,8
- Średnica otworu[D3]
- 20
- OBRÓBKA | TWARDOŚĆ
- 50 ± 5 HRC - Indukcyjnie hartowane zęby
Koła łańcuchowe bez piasty z hartowanymi indukcyjnie zębami, 30 zębów pod łańcuch 12B-3 - 3/4″ x 7/16″ wg norm DIN, ISO, PN.
