Koło łańcuchowe bez piasty 16B-3 Z37 hartowane indukcyjnie
P16B3037HT
Koła łańcuchowe bez piasty z hartowanymi indukcyjnie zębami, 37 zębów pod łańcuch 16B-3 - 1″ x 17.02mm wg norm DIN, ISO, PN.
0,00 zł
Netto
P16B3037HT
- MARKA
- Terson
- MATERIAŁ
- Stal C45 | 1.0503
- WYKOŃCZENIE
- Brak
- ODPORNOŚĆ KOROZYJNA
- Brak
- ZAKRES TEMPERATUR
- -40°C - 175°C
- ODPORNOŚĆ NA ZUŻYCIE
- Znakomita
- WYTRZYMAŁOŚĆ
- Znakomita
- Order number
- 20-758-0150
- Chain No.
- 20-758-0150
- Łańcuch
- 16B-3
- Pitch x Width[PxW]
- 1″ x 17.02mm
- Liczba zębów[Z]
- 37
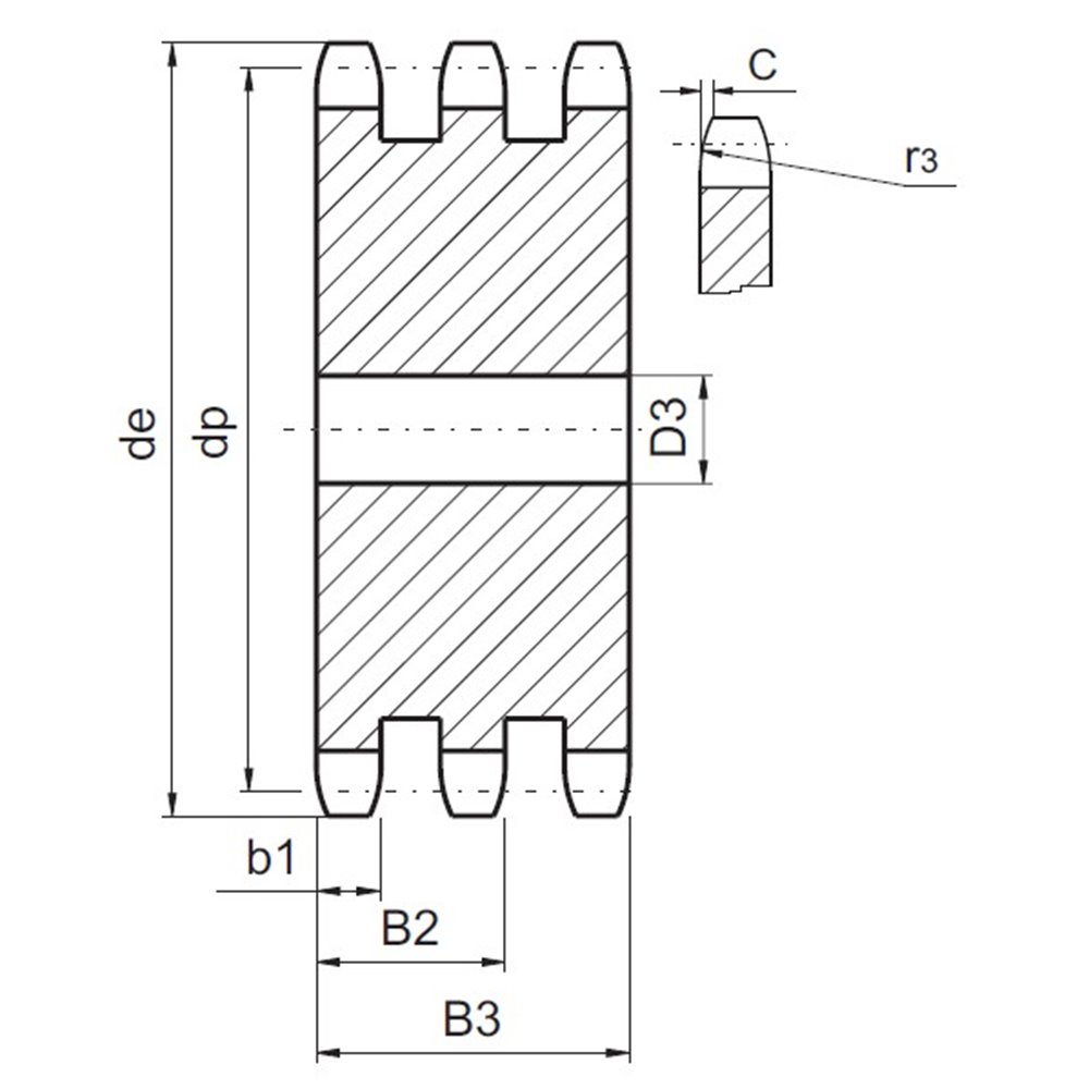
- Średnica zewnętrzna[de]
- 312,6
- Średnica podziałowa[dp]
- 299,51
- Promień zęba[r3]
- 26
- Szerokość zaokrąglenia[C]
- 2,5
- Szrokość zęba[B1]
- 16,2
- Masa
- 43,59
- Szerokość zęba[b]
- 15,8
- Szerokość zębów[B2]
- 47,7
- Szerokość zębów[B3]
- 79,6
- Średnica otworu[D3]
- 30
- OBRÓBKA | TWARDOŚĆ
- 50 ± 5 HRC - Indukcyjnie hartowane zęby
Koła łańcuchowe bez piasty z hartowanymi indukcyjnie zębami, 37 zębów pod łańcuch 16B-3 - 1″ x 17.02mm wg norm DIN, ISO, PN.
