Koło łańcuchowe bez piasty 20B-3 Z42 hartowane indukcyjnie
P20B3042HT
Koła łańcuchowe bez piasty z hartowanymi indukcyjnie zębami, 42 zębów pod łańcuch 20B-3 - 1″1/4 x 3/4″ wg norm DIN, ISO, PN.
0,00 zł
Netto
P20B3042HT
- MARKA
- Terson
- MATERIAŁ
- Stal C45 | 1.0503
- WYKOŃCZENIE
- Brak
- ODPORNOŚĆ KOROZYJNA
- Brak
- ZAKRES TEMPERATUR
- -40°C - 175°C
- ODPORNOŚĆ NA ZUŻYCIE
- Znakomita
- WYTRZYMAŁOŚĆ
- Znakomita
- Order number
- 20-760-0175
- Chain No.
- 20-760-0175
- Łańcuch
- 20B-3
- Pitch x Width[PxW]
- 1″1/4 x 3/4″
- Liczba zębów[Z]
- 42
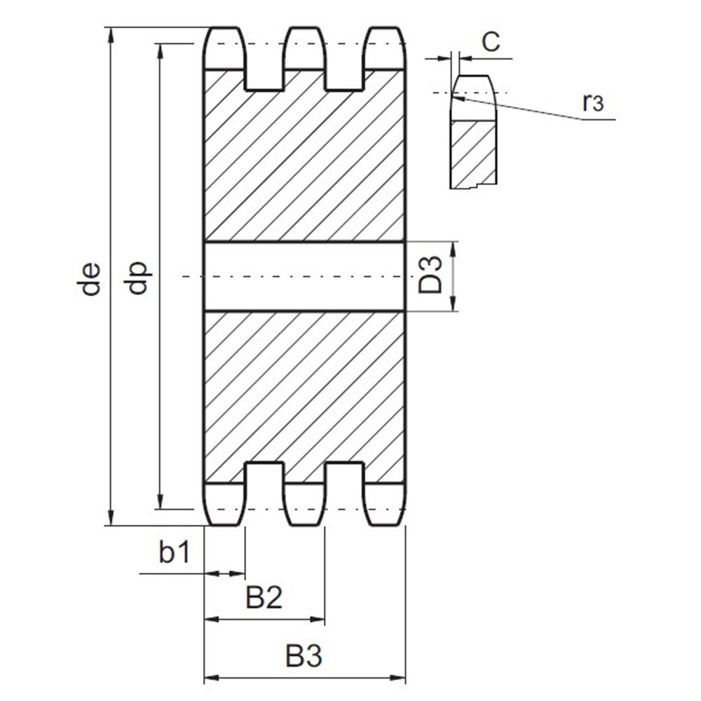
- Średnica zewnętrzna[de]
- 440,0
- Średnica podziałowa[dp]
- 424,86
- Promień zęba[r3]
- 32
- Szerokość zaokrąglenia[C]
- 3,5
- Szrokość zęba[B1]
- 18,5
- Masa
- 100,38
- Szerokość zęba[b]
- 18,2
- Szerokość zębów[B2]
- 54,6
- Szerokość zębów[B3]
- 91
- Średnica otworu[D3]
- 40
- OBRÓBKA | TWARDOŚĆ
- 50 ± 5 HRC - Indukcyjnie hartowane zęby
Koła łańcuchowe bez piasty z hartowanymi indukcyjnie zębami, 42 zębów pod łańcuch 20B-3 - 1″1/4 x 3/4″ wg norm DIN, ISO, PN.
