Koło łańcuchowe bez piasty 24B-1 Z40 hartowane indukcyjnie
P24B1040HT
Koła łańcuchowe bez piasty z hartowanymi indukcyjnie zębami, 40 zębów pod łańcuch 24B-1 - 1″1/2 x 1″ wg norm DIN, ISO, PN.
469,78 zł
Netto
P24B1040HT
- MARKA
- Terson
- MATERIAŁ
- Stal C45 | 1.0503
- WYKOŃCZENIE
- Brak
- ODPORNOŚĆ KOROZYJNA
- Brak
- ZAKRES TEMPERATUR
- -40°C - 175°C
- ODPORNOŚĆ NA ZUŻYCIE
- Znakomita
- WYTRZYMAŁOŚĆ
- Znakomita
- Order number
- 20-664-0165
- Chain No.
- 20-664-0165
- Łańcuch
- 24B-1
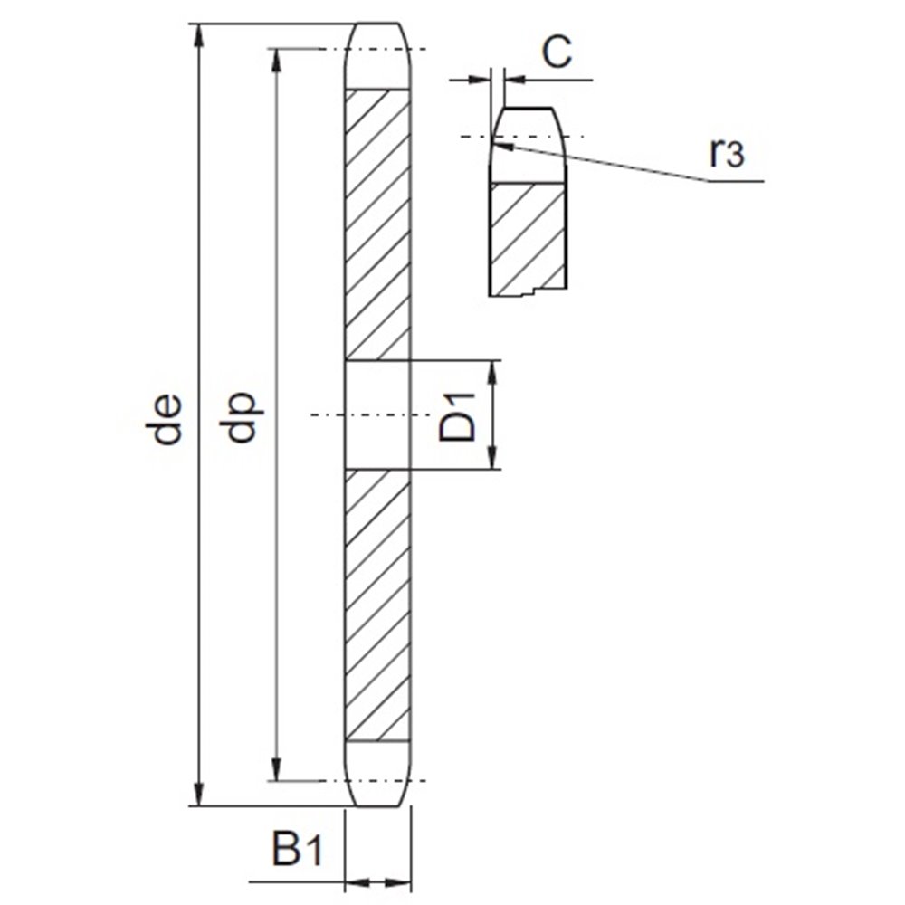
- Pitch x Width[PxW]
- 1″1/2 x 1″
- Liczba zębów[Z]
- 40
- Średnica zewnętrzna[de]
- 500,6
- Średnica podziałowa[dp]
- 485,62
- Promień zęba[r3]
- 38
- Szerokość zaokrąglenia[C]
- 4
- Szrokość zęba[B1]
- 24,1
- Średnica otworu[D1]
- 30
- Masa
- 34,91
- OBRÓBKA | TWARDOŚĆ
- 50 ± 5 HRC - Indukcyjnie hartowane zęby
Koła łańcuchowe bez piasty z hartowanymi indukcyjnie zębami, 40 zębów pod łańcuch 24B-1 - 1″1/2 x 1″ wg norm DIN, ISO, PN.
