• Obecnie brak na stanie
Koło łańcuchowe bez piasty 24B-3 Z29 hartowane indukcyjnie

Koło łańcuchowe bez piasty 24B-3 Z29 hartowane indukcyjnie

P24B3029HT
Koła łańcuchowe bez piasty z hartowanymi indukcyjnie zębami, 29 zębów pod łańcuch 24B-3 - 1″1/2 x 1″ wg norm DIN, ISO, PN.
0,00 zł
Netto
P24B3029HT
MARKA
Terson
MATERIAŁ
Stal C45 | 1.0503
WYKOŃCZENIE
Brak
ODPORNOŚĆ KOROZYJNA
Brak
ZAKRES TEMPERATUR
-40°C - 175°C
ODPORNOŚĆ NA ZUŻYCIE
Znakomita
WYTRZYMAŁOŚĆ
Znakomita
Order number
20-762-0110
Chain No.
20-762-0110
Łańcuch
24B-3
Pitch x Width[PxW]
1″1/2 x 1″
Liczba zębów[Z]
29
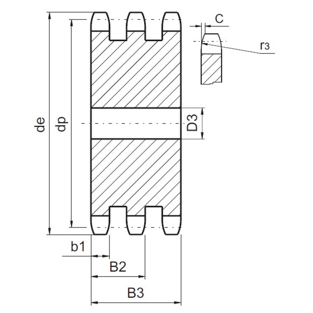
Średnica zewnętrzna[de]
367,3
Średnica podziałowa[dp]
352,38
Promień zęba[r3]
38
Szerokość zaokrąglenia[C]
4
Szrokość zęba[B1]
24,1
Masa
91,43
Szerokość zęba[b]
23,6
Szerokość zębów[B2]
72
Szerokość zębów[B3]
120,3
Średnica otworu[D3]
30
OBRÓBKA | TWARDOŚĆ
50 ± 5 HRC - Indukcyjnie hartowane zęby
Koła łańcuchowe bez piasty z hartowanymi indukcyjnie zębami, 29 zębów pod łańcuch 24B-3 - 1″1/2 x 1″ wg norm DIN, ISO, PN.

Zarejestruj nowe konto

Posiadasz już konto?
Zaloguj się zamiast tego lub Zresetuj hasło