Koło łańcuchowe bez piasty 24B-3 Z60 hartowane indukcyjnie
P24B3060HT
Koła łańcuchowe bez piasty z hartowanymi indukcyjnie zębami, 60 zębów pod łańcuch 24B-3 - 1″1/2 x 1″ wg norm DIN, ISO, PN.
0,00 zł
Netto
P24B3060HT
- MARKA
- Terson
- MATERIAŁ
- Stal C45 | 1.0503
- WYKOŃCZENIE
- Brak
- ODPORNOŚĆ KOROZYJNA
- Brak
- ZAKRES TEMPERATUR
- -40°C - 175°C
- ODPORNOŚĆ NA ZUŻYCIE
- Znakomita
- WYTRZYMAŁOŚĆ
- Znakomita
- Order number
- 20-762-0265
- Chain No.
- 20-762-0265
- Łańcuch
- 24B-3
- Pitch x Width[PxW]
- 1″1/2 x 1″
- Liczba zębów[Z]
- 60
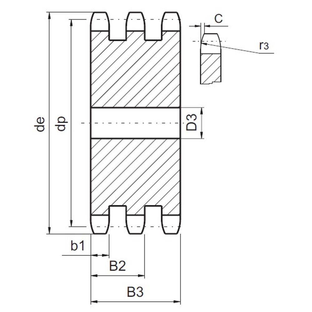
- Średnica zewnętrzna[de]
- 742,8
- Średnica podziałowa[dp]
- 727,97
- Promień zęba[r3]
- 38
- Szerokość zaokrąglenia[C]
- 4
- Szrokość zęba[B1]
- 24,1
- Masa
- 391,87
- Szerokość zęba[b]
- 23,6
- Szerokość zębów[B2]
- 72
- Szerokość zębów[B3]
- 120,3
- Średnica otworu[D3]
- 40
- OBRÓBKA | TWARDOŚĆ
- 50 ± 5 HRC - Indukcyjnie hartowane zęby
Koła łańcuchowe bez piasty z hartowanymi indukcyjnie zębami, 60 zębów pod łańcuch 24B-3 - 1″1/2 x 1″ wg norm DIN, ISO, PN.
