Koło łańcuchowe bez piasty 28B-1 Z40 hartowane indukcyjnie
P28B1040HT
Koła łańcuchowe bez piasty z hartowanymi indukcyjnie zębami, 40 zębów pod łańcuch 28B-1 - 1″3/4 x 1″1/4 wg norm DIN, ISO, PN.
0,00 zł
Netto
P28B1040HT
- MARKA
- Terson
- MATERIAŁ
- Stal C45 | 1.0503
- WYKOŃCZENIE
- Brak
- ODPORNOŚĆ KOROZYJNA
- Brak
- ZAKRES TEMPERATUR
- -40°C - 175°C
- ODPORNOŚĆ NA ZUŻYCIE
- Znakomita
- WYTRZYMAŁOŚĆ
- Znakomita
- Order number
- 20-666-0165
- Chain No.
- 20-666-0165
- Łańcuch
- 28B-1
- Pitch x Width[PxW]
- 1″3/4 x 1″1/4
- Liczba zębów[Z]
- 40
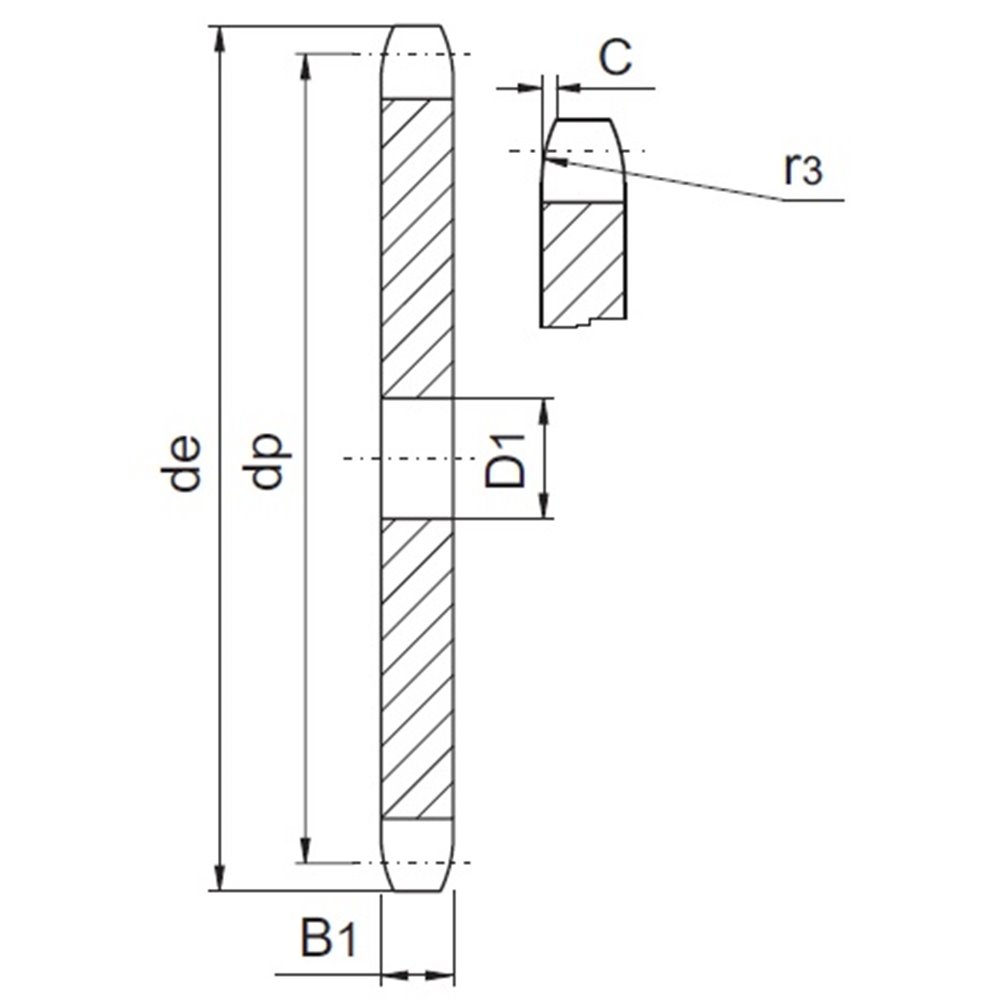
- Średnica zewnętrzna[de]
- 585,0
- Średnica podziałowa[dp]
- 566,54
- Promień zęba[r3]
- 44
- Szerokość zaokrąglenia[C]
- 5
- Szrokość zęba[B1]
- 29,4
- Średnica otworu[D1]
- 30
- Masa
- 58,02
- OBRÓBKA | TWARDOŚĆ
- 50 ± 5 HRC - Indukcyjnie hartowane zęby
Koła łańcuchowe bez piasty z hartowanymi indukcyjnie zębami, 40 zębów pod łańcuch 28B-1 - 1″3/4 x 1″1/4 wg norm DIN, ISO, PN.
