Koło łańcuchowe bez piasty 28B-3 Z50 hartowane indukcyjnie
P28B3050HT
Koła łańcuchowe bez piasty z hartowanymi indukcyjnie zębami, 50 zębów pod łańcuch 28B-3 - 1″3/4 x 1″1/4 wg norm DIN, ISO, PN.
0,00 zł
Netto
P28B3050HT
- MARKA
- Terson
- MATERIAŁ
- Stal C45 | 1.0503
- WYKOŃCZENIE
- Brak
- ODPORNOŚĆ KOROZYJNA
- Brak
- ZAKRES TEMPERATUR
- -40°C - 175°C
- ODPORNOŚĆ NA ZUŻYCIE
- Znakomita
- WYTRZYMAŁOŚĆ
- Znakomita
- Order number
- 20-764-0175
- Chain No.
- 20-764-0175
- Łańcuch
- 28B-3
- Pitch x Width[PxW]
- 1″3/4 x 1″1/4
- Liczba zębów[Z]
- 50
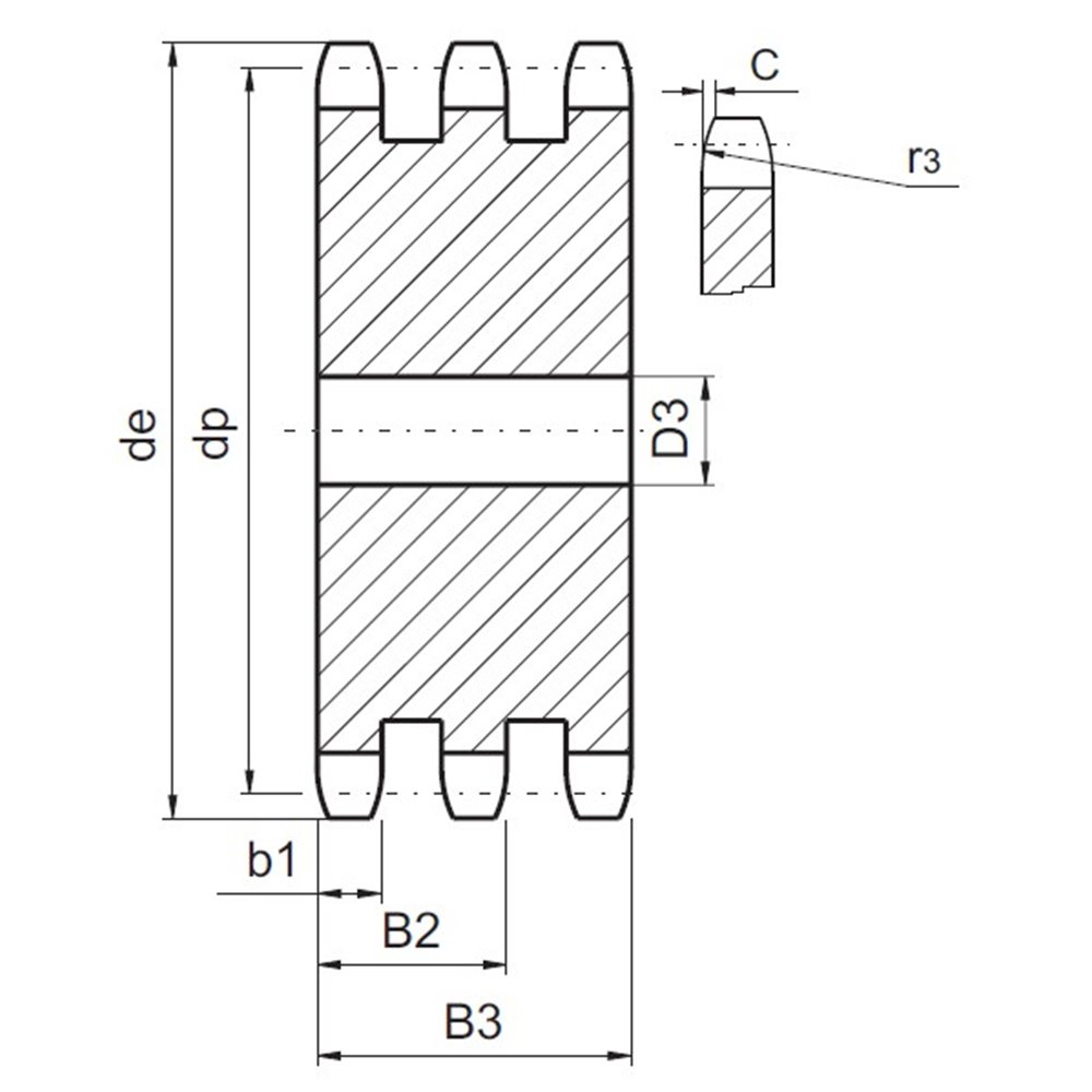
- Średnica zewnętrzna[de]
- 726,0
- Średnica podziałowa[dp]
- 707,91
- Promień zęba[r3]
- 44
- Szerokość zaokrąglenia[C]
- 5
- Szrokość zęba[B1]
- 29,4
- Masa
- 455,82
- Szerokość zęba[b]
- 28,8
- Szerokość zębów[B2]
- 88,4
- Szerokość zębów[B3]
- 148
- Średnica otworu[D3]
- 40
- OBRÓBKA | TWARDOŚĆ
- 50 ± 5 HRC - Indukcyjnie hartowane zęby
Koła łańcuchowe bez piasty z hartowanymi indukcyjnie zębami, 50 zębów pod łańcuch 28B-3 - 1″3/4 x 1″1/4 wg norm DIN, ISO, PN.
