03B-1, Z37 - KOŁO ŁAŃCUCHOWE - HARTOWANE ZĘBY + CZERNIONE
S03B1037HTBO
Koło łańcuchowe 03B-1 37 zębów, z piastą i otworem wstępnym. Pasuje do łańcuchów rolkowych 03B-1 (5 x 2.5mm) wykonanych wg normy DIN, PN, ISO. Koła zębate łańcuchowe są produkowane na maszynach CNC i posiadają hartowany indukcyjnie wieniec zębaty. Hartowane zęby zapewniają min. 2 krotne wydłużenie czasu pracy oraz sprawdzają się idealnie w trudnych warunkach pracy, gdzie występują duże lub dynamiczne obciążenia. Dodatkowo koła zostały wykończone czernioną powłoką, która nadaje im estetyczny wygląd i zapewnia ochronę antykorozyjną.
18,40 zł
Netto
S03B1037HTBO
- Szerokość koła[A]
- 15
- Ilość rzędów
- 20-130-0150
- MARKA
- Terson
- SERIA
- BLACKR
- MATERIAŁ
- Stal C45 | 1.0503
- WYKOŃCZENIE
- Oksydowanie | Czernienie
- ODPORNOŚĆ KOROZYJNA
- Niska
- ZAKRES TEMPERATUR
- -40°C - 175°C
- ODPORNOŚĆ NA ZUŻYCIE
- Znakomita
- WYTRZYMAŁOŚĆ
- -40°C - 175°C
- MAGNETYZM
- Znakomita
- Order number
- 20-130-0150
- Łańcuch
- 03B-1
- Pitch x Width[PxW]
- 5 x 2.5mm
- Liczba zębów[Z]
- 37
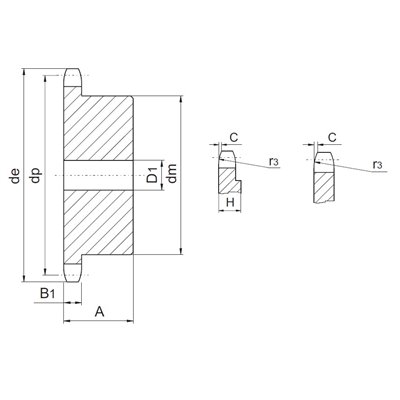
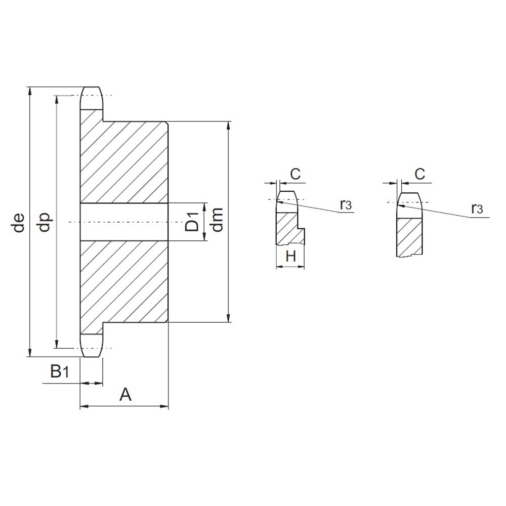
- Średnica zewnętrzna[de]
- 61,1
- Średnica podziałowa[dp]
- 58,96
- Promień zęba[r3]
- 5
- Szerokość zaokrąglenia[C]
- 0,6
- Szrokość zęba[B1]
- 2,3
- Szerokość zęba[H]
- 2,3
- Średnica piasty[dm]
- 30
- Średnica otworu[D1]
- 8
- Masa
- 0,11
- Rodzaj piasty
- Niespawana
- Szerokość zęba[b]
- Niespawana
- OBRÓBKA | TWARDOŚĆ
- 50 ± 5 HRC - Indukcyjnie hartowane zęby
Koło łańcuchowe 03B-1 37 zębów, z piastą i otworem wstępnym. Pasuje do łańcuchów rolkowych 03B-1 (5 x 2.5mm) wykonanych wg normy DIN, PN, ISO. Koła zębate łańcuchowe są produkowane na maszynach CNC i posiadają hartowany indukcyjnie wieniec zębaty. Hartowane zęby zapewniają min. 2 krotne wydłużenie czasu pracy oraz sprawdzają się idealnie w trudnych warunkach pracy, gdzie występują duże lub dynamiczne obciążenia. Dodatkowo koła zostały wykończone czernioną powłoką, która nadaje im estetyczny wygląd i zapewnia ochronę antykorozyjną.
