04B-1, Z68 - KOŁO ŁAŃCUCHOWE - HARTOWANE ZĘBY + CZERNIONE
S04B1068HTBO
Koło łańcuchowe 04B-1 68 zębów, z piastą i otworem wstępnym. Pasuje do łańcuchów rolkowych 04B-1 (6 x 2.8mm) wykonanych wg normy DIN, PN, ISO. Koła zębate łańcuchowe są produkowane na maszynach CNC i posiadają hartowany indukcyjnie wieniec zębaty. Hartowane zęby zapewniają min. 2 krotne wydłużenie czasu pracy oraz sprawdzają się idealnie w trudnych warunkach pracy, gdzie występują duże lub dynamiczne obciążenia. Dodatkowo koła zostały wykończone czernioną powłoką, która nadaje im estetyczny wygląd i zapewnia ochronę antykorozyjną.
0,00 zł
Netto
S04B1068HTBO
- Szerokość koła[A]
- 20
- Ilość rzędów
- 20-132-0290
- MARKA
- Terson
- SERIA
- BLACKR
- MATERIAŁ
- Stal C45 | 1.0503
- WYKOŃCZENIE
- Oksydowanie | Czernienie
- ODPORNOŚĆ KOROZYJNA
- Niska
- ZAKRES TEMPERATUR
- -40°C - 175°C
- ODPORNOŚĆ NA ZUŻYCIE
- Znakomita
- WYTRZYMAŁOŚĆ
- -40°C - 175°C
- MAGNETYZM
- Znakomita
- Order number
- 20-132-0290
- Łańcuch
- 04B-1
- Pitch x Width[PxW]
- 6 x 2.8mm
- Liczba zębów[Z]
- 68
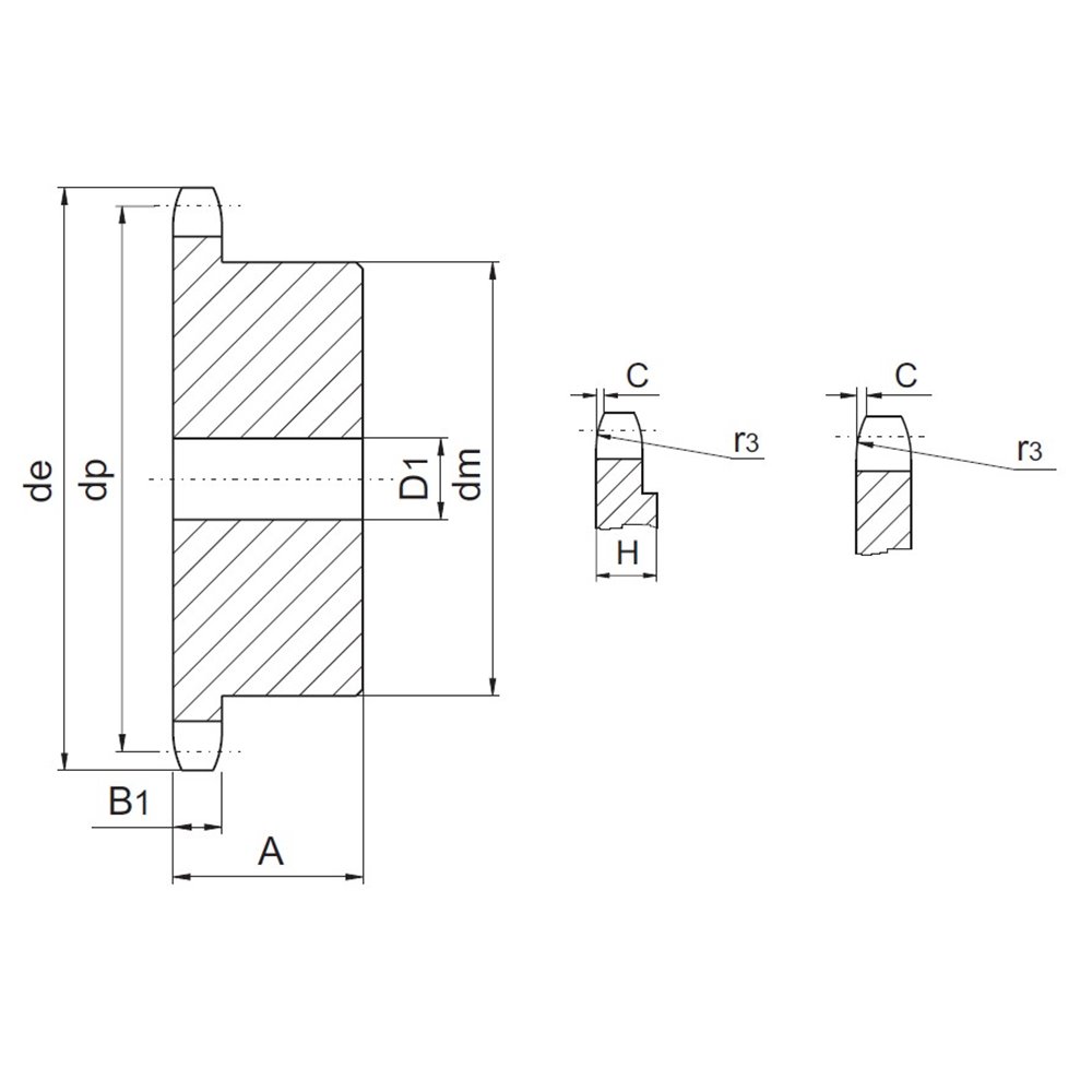
- Średnica zewnętrzna[de]
- 132,4
- Średnica podziałowa[dp]
- 129,91
- Promień zęba[r3]
- 6
- Szerokość zaokrąglenia[C]
- 0,7
- Szrokość zęba[B1]
- 2,6
- Szerokość zęba[H]
- 4
- Średnica piasty[dm]
- 50
- Średnica otworu[D1]
- 8
- Masa
- 0,53
- Rodzaj piasty
- Niespawana
- Szerokość zęba[b]
- Niespawana
- OBRÓBKA | TWARDOŚĆ
- 50 ± 5 HRC - Indukcyjnie hartowane zęby
Koło łańcuchowe 04B-1 68 zębów, z piastą i otworem wstępnym. Pasuje do łańcuchów rolkowych 04B-1 (6 x 2.8mm) wykonanych wg normy DIN, PN, ISO. Koła zębate łańcuchowe są produkowane na maszynach CNC i posiadają hartowany indukcyjnie wieniec zębaty. Hartowane zęby zapewniają min. 2 krotne wydłużenie czasu pracy oraz sprawdzają się idealnie w trudnych warunkach pracy, gdzie występują duże lub dynamiczne obciążenia. Dodatkowo koła zostały wykończone czernioną powłoką, która nadaje im estetyczny wygląd i zapewnia ochronę antykorozyjną.
