05B-2, Z125 - KOŁO ŁAŃCUCHOWE - HARTOWANE ZĘBY + CZERNIONE
S05B20125HTBO
Koło łańcuchowe 05B-2 125 zębów, z piastą i otworem wstępnym. Pasuje do łańcuchów rolkowych 05B-2 (8 x 3mm) wykonanych wg normy DIN, PN, ISO. Koła zębate łańcuchowe są produkowane na maszynach CNC i posiadają hartowany indukcyjnie wieniec zębaty. Hartowane zęby zapewniają min. 2 krotne wydłużenie czasu pracy oraz sprawdzają się idealnie w trudnych warunkach pracy, gdzie występują duże lub dynamiczne obciążenia. Dodatkowo koła zostały wykończone czernioną powłoką, która nadaje im estetyczny wygląd i zapewnia ochronę antykorozyjną.
0,00 zł
Netto
S05B20125HTBO
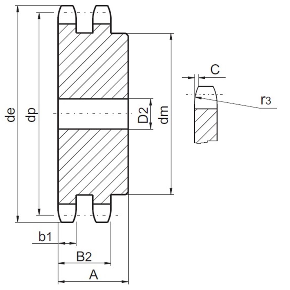
- Szerokość koła[A]
- 43
- Ilość rzędów
- 20-204-0360
- MARKA
- Terson
- SERIA
- BLACKR
- MATERIAŁ
- Stal C45 | 1.0503
- WYKOŃCZENIE
- Oksydowanie | Czernienie
- ODPORNOŚĆ KOROZYJNA
- Niska
- ZAKRES TEMPERATUR
- -40°C - 175°C
- ODPORNOŚĆ NA ZUŻYCIE
- Znakomita
- WYTRZYMAŁOŚĆ
- -40°C - 175°C
- MAGNETYZM
- Znakomita
- Order number
- 20-204-0360
- Łańcuch
- 05B-2
- Pitch x Width[PxW]
- 8 x 3mm
- Liczba zębów[Z]
- 125
- Średnica zewnętrzna[de]
- 322,5
- Średnica podziałowa[dp]
- 318,34
- Promień zęba[r3]
- 8
- Szerokość zaokrąglenia[C]
- 1
- Szrokość zęba[B1]
- 2,8
- Szerokość zęba[H]
- 2,8
- Średnica piasty[dm]
- 88
- Średnica otworu[D1]
- 88
- Masa
- 6,80
- Rodzaj piasty
- Spawana
- Szerokość zęba[b]
- 2,7
- Szerokość zębów[B2]
- 8,3
- Średnica otworu[D2]
- 12
- Szerokość zębów[B3]
- 12
- OBRÓBKA | TWARDOŚĆ
- 50 ± 5 HRC - Indukcyjnie hartowane zęby
Koło łańcuchowe 05B-2 125 zębów, z piastą i otworem wstępnym. Pasuje do łańcuchów rolkowych 05B-2 (8 x 3mm) wykonanych wg normy DIN, PN, ISO. Koła zębate łańcuchowe są produkowane na maszynach CNC i posiadają hartowany indukcyjnie wieniec zębaty. Hartowane zęby zapewniają min. 2 krotne wydłużenie czasu pracy oraz sprawdzają się idealnie w trudnych warunkach pracy, gdzie występują duże lub dynamiczne obciążenia. Dodatkowo koła zostały wykończone czernioną powłoką, która nadaje im estetyczny wygląd i zapewnia ochronę antykorozyjną.
