06B-2, Z62 - KOŁO ŁAŃCUCHOWE - HARTOWANE ZĘBY + CZERNIONE
S06B2062HTBO
Koło łańcuchowe 06B-2 62 zębów, z piastą i otworem wstępnym. Pasuje do łańcuchów rolkowych 06B-2 (3/8″ x 7/32″) wykonanych wg normy DIN, PN, ISO. Koła zębate łańcuchowe są produkowane na maszynach CNC i posiadają hartowany indukcyjnie wieniec zębaty. Hartowane zęby zapewniają min. 2 krotne wydłużenie czasu pracy oraz sprawdzają się idealnie w trudnych warunkach pracy, gdzie występują duże lub dynamiczne obciążenia. Dodatkowo koła zostały wykończone czernioną powłoką, która nadaje im estetyczny wygląd i zapewnia ochronę antykorozyjną.
68,26 zł
Netto
S06B2062HTBO
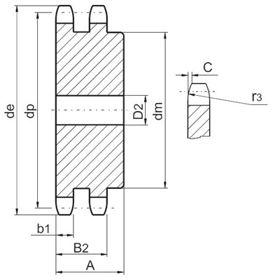
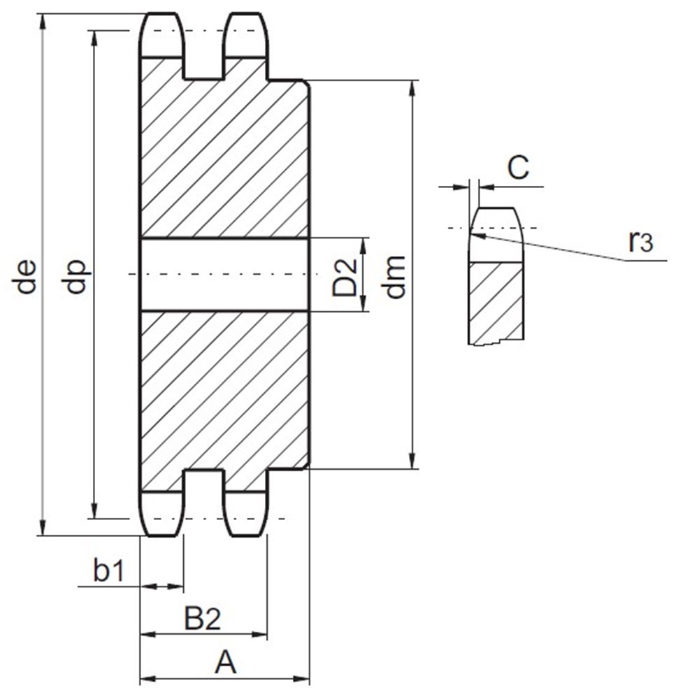
- Szerokość koła[A]
- 40
- Ilość rzędów
- 20-206-0270
- MARKA
- Terson
- SERIA
- BLACKR
- MATERIAŁ
- Stal C45 | 1.0503
- WYKOŃCZENIE
- Oksydowanie | Czernienie
- ODPORNOŚĆ KOROZYJNA
- Niska
- ZAKRES TEMPERATUR
- -40°C - 175°C
- ODPORNOŚĆ NA ZUŻYCIE
- Znakomita
- WYTRZYMAŁOŚĆ
- -40°C - 175°C
- MAGNETYZM
- Znakomita
- Order number
- 20-206-0270
- Łańcuch
- 06B-2
- Pitch x Width[PxW]
- 3/8″ x 7/32″
- Liczba zębów[Z]
- 62
- Średnica zewnętrzna[de]
- 192,1
- Średnica podziałowa[dp]
- 188,06
- Promień zęba[r3]
- 10
- Szerokość zaokrąglenia[C]
- 1
- Szrokość zęba[B1]
- 5,3
- Szerokość zęba[H]
- 5,3
- Średnica piasty[dm]
- 90
- Średnica otworu[D1]
- 90
- Masa
- 4,52
- Rodzaj piasty
- Niespawana
- Szerokość zęba[b]
- 5,2
- Szerokość zębów[B2]
- 15,4
- Średnica otworu[D2]
- 16
- Szerokość zębów[B3]
- 16
- OBRÓBKA | TWARDOŚĆ
- 50 ± 5 HRC - Indukcyjnie hartowane zęby
Koło łańcuchowe 06B-2 62 zębów, z piastą i otworem wstępnym. Pasuje do łańcuchów rolkowych 06B-2 (3/8″ x 7/32″) wykonanych wg normy DIN, PN, ISO. Koła zębate łańcuchowe są produkowane na maszynach CNC i posiadają hartowany indukcyjnie wieniec zębaty. Hartowane zęby zapewniają min. 2 krotne wydłużenie czasu pracy oraz sprawdzają się idealnie w trudnych warunkach pracy, gdzie występują duże lub dynamiczne obciążenia. Dodatkowo koła zostały wykończone czernioną powłoką, która nadaje im estetyczny wygląd i zapewnia ochronę antykorozyjną.
