10B-1 30 ZĘBÓW - KOŁO ŁAŃCUCHOWE - STAL NIERDZEWNA - Z PIASTĄ
S10B1030SS
Koło łańcuchowe 10B-1 30 zębów, z piastą i otworem wstępnym. Pasuje do łańcuchów rolkowych 10B-1 (5/8″ x 3/8″) wykonanych wg normy DIN, PN, ISO. Produkowane ze stali nierdzewnej. Odporne na korozję.
0,00 zł
Netto
S10B1030SS
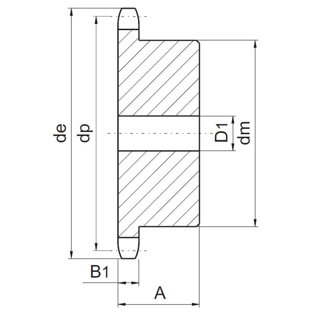
- Szerokość koła[A]
- 35
- MARKA
- Terson
- MATERIAŁ
- 304 Stal nierdzewna
- WYKOŃCZENIE
- Brak
- ODPORNOŚĆ KOROZYJNA
- Bardzo dobra
- ZAKRES TEMPERATUR
- -155°C - 400°C
- ODPORNOŚĆ NA ZUŻYCIE
- Dostateczna
- Order number
- 20-164-0055
- OBRÓBKA
- Brak
- Łańcuch
- 10B-1
- Pitch x Width[PxW]
- 5/8″ x 3/8″
- Liczba zębów[Z]
- 30
- Średnica zewnętrzna[de]
- 158,8
- Średnica podziałowa[dp]
- 151,87
- Promień zęba[r3]
- 16
- Szerokość zaokrąglenia[C]
- 1,6
- Szrokość zęba[B1]
- 9,1
- Szerokość zęba[H]
- 90
- Średnica piasty[dm]
- 90
- Średnica otworu[D1]
- 20
- OBRÓBKA | TWARDOŚĆ
- Brak
Koło łańcuchowe 10B-1 30 zębów, z piastą i otworem wstępnym. Pasuje do łańcuchów rolkowych 10B-1 (5/8″ x 3/8″) wykonanych wg normy DIN, PN, ISO. Produkowane ze stali nierdzewnej. Odporne na korozję.
