10B-1, Z37 - KOŁO ŁAŃCUCHOWE - HARTOWANE ZĘBY + CZERNIONE
S10B1037HTBO
Koło łańcuchowe 10B-1 37 zębów, z piastą i otworem wstępnym. Pasuje do łańcuchów rolkowych 10B-1 (5/8″ x 3/8″) wykonanych wg normy DIN, PN, ISO. Koła zębate łańcuchowe są produkowane na maszynach CNC i posiadają hartowany indukcyjnie wieniec zębaty. Hartowane zęby zapewniają min. 2 krotne wydłużenie czasu pracy oraz sprawdzają się idealnie w trudnych warunkach pracy, gdzie występują duże lub dynamiczne obciążenia. Dodatkowo koła zostały wykończone czernioną powłoką, która nadaje im estetyczny wygląd i zapewnia ochronę antykorozyjną.
53,36 zł
Netto
S10B1037HTBO
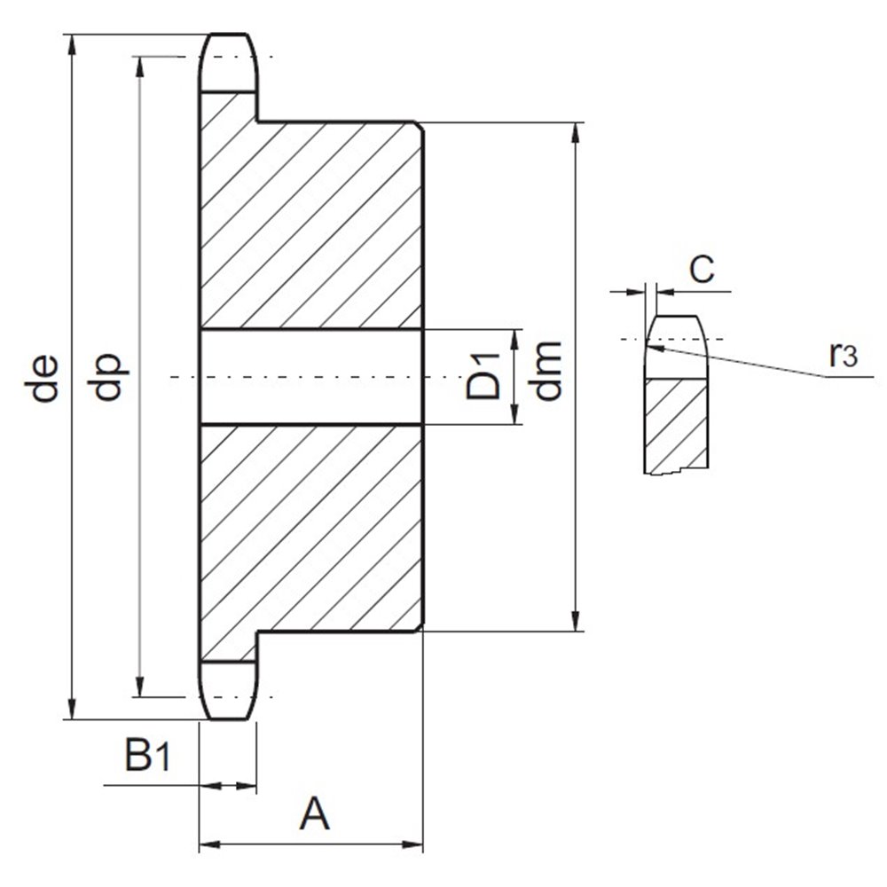
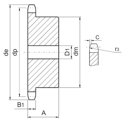
- Szerokość koła[A]
- 35
- Ilość rzędów
- 20-146-0150
- MARKA
- Terson
- SERIA
- BLACKR
- MATERIAŁ
- Stal C45 | 1.0503
- WYKOŃCZENIE
- Oksydowanie | Czernienie
- ODPORNOŚĆ KOROZYJNA
- Niska
- ZAKRES TEMPERATUR
- -40°C - 175°C
- ODPORNOŚĆ NA ZUŻYCIE
- Znakomita
- WYTRZYMAŁOŚĆ
- -40°C - 175°C
- MAGNETYZM
- Znakomita
- Order number
- 20-146-0150
- Łańcuch
- 10B-1
- Pitch x Width[PxW]
- 5/8″ x 3/8″
- Liczba zębów[Z]
- 37
- Średnica zewnętrzna[de]
- 194,2
- Średnica podziałowa[dp]
- 187,20
- Promień zęba[r3]
- 16
- Szerokość zaokrąglenia[C]
- 1,6
- Szrokość zęba[B1]
- 9,1
- Szerokość zęba[H]
- 9,1
- Średnica piasty[dm]
- 100
- Średnica otworu[D1]
- 20
- Masa
- 3,48
- Rodzaj piasty
- Niespawana
- Szerokość zęba[b]
- Niespawana
- OBRÓBKA | TWARDOŚĆ
- 50 ± 5 HRC - Indukcyjnie hartowane zęby
Koło łańcuchowe 10B-1 37 zębów, z piastą i otworem wstępnym. Pasuje do łańcuchów rolkowych 10B-1 (5/8″ x 3/8″) wykonanych wg normy DIN, PN, ISO. Koła zębate łańcuchowe są produkowane na maszynach CNC i posiadają hartowany indukcyjnie wieniec zębaty. Hartowane zęby zapewniają min. 2 krotne wydłużenie czasu pracy oraz sprawdzają się idealnie w trudnych warunkach pracy, gdzie występują duże lub dynamiczne obciążenia. Dodatkowo koła zostały wykończone czernioną powłoką, która nadaje im estetyczny wygląd i zapewnia ochronę antykorozyjną.
