16B-1 16 ZĘBÓW - KOŁO ŁAŃCUCHOWE - STAL NIERDZEWNA - Z PIASTĄ
S16B1016SS
Koło łańcuchowe 16B-1 16 zębów, z piastą i otworem wstępnym. Pasuje do łańcuchów rolkowych 16B-1 (1″ x 17.02mm) wykonanych wg normy DIN, PN, ISO. Produkowane ze stali nierdzewnej. Odporne na korozję.
0,00 zł
Netto
S16B1016SS
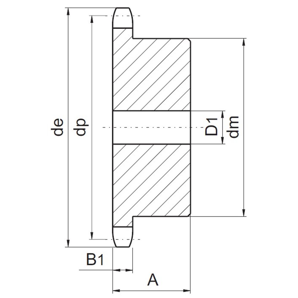
- Szerokość koła[A]
- 45
- MARKA
- Terson
- MATERIAŁ
- 304 Stal nierdzewna
- WYKOŃCZENIE
- Brak
- ODPORNOŚĆ KOROZYJNA
- Bardzo dobra
- ZAKRES TEMPERATUR
- -155°C - 400°C
- ODPORNOŚĆ NA ZUŻYCIE
- Dostateczna
- Order number
- 20-168-0015
- OBRÓBKA
- Brak
- Łańcuch
- 16B-1
- Pitch x Width[PxW]
- 1″ x 17.02mm
- Liczba zębów[Z]
- 16
- Średnica zewnętrzna[de]
- 141,0
- Średnica podziałowa[dp]
- 130,20
- Promień zęba[r3]
- 26
- Szerokość zaokrąglenia[C]
- 2,5
- Szrokość zęba[B1]
- 16,2
- Szerokość zęba[H]
- 100
- Średnica piasty[dm]
- 100
- Średnica otworu[D1]
- 19
- OBRÓBKA | TWARDOŚĆ
- Brak
Koło łańcuchowe 16B-1 16 zębów, z piastą i otworem wstępnym. Pasuje do łańcuchów rolkowych 16B-1 (1″ x 17.02mm) wykonanych wg normy DIN, PN, ISO. Produkowane ze stali nierdzewnej. Odporne na korozję.
