16B-3, Z58 - KOŁO ŁAŃCUCHOWE - HARTOWANE ZĘBY + CZERNIONE
S16B3058HTBO
Koło łańcuchowe 16B-3 58 zębów, z piastą i otworem wstępnym. Pasuje do łańcuchów rolkowych 16B-3 (1″ x 17.02mm) wykonanych wg normy DIN, PN, ISO. Koła zębate łańcuchowe są produkowane na maszynach CNC i posiadają hartowany indukcyjnie wieniec zębaty. Hartowane zęby zapewniają min. 2 krotne wydłużenie czasu pracy oraz sprawdzają się idealnie w trudnych warunkach pracy, gdzie występują duże lub dynamiczne obciążenia. Dodatkowo koła zostały wykończone czernioną powłoką, która nadaje im estetyczny wygląd i zapewnia ochronę antykorozyjną.
0,00 zł
Netto
S16B3058HTBO
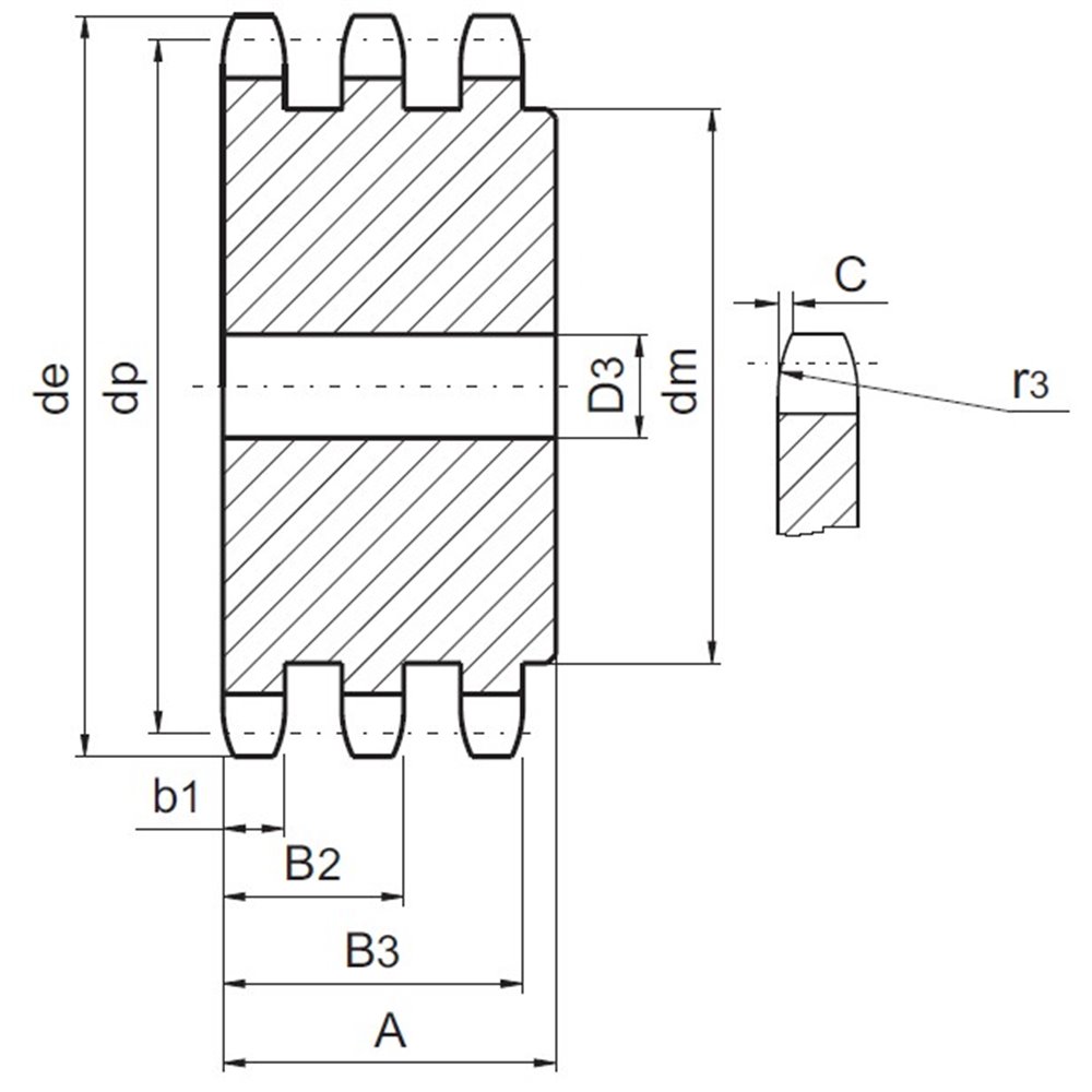
- Szerokość koła[A]
- 110
- Ilość rzędów
- 20-264-0255
- MARKA
- Terson
- SERIA
- BLACKR
- MATERIAŁ
- Stal C45 | 1.0503
- WYKOŃCZENIE
- Oksydowanie | Czernienie
- ODPORNOŚĆ KOROZYJNA
- Niska
- ZAKRES TEMPERATUR
- -40°C - 175°C
- ODPORNOŚĆ NA ZUŻYCIE
- Znakomita
- WYTRZYMAŁOŚĆ
- -40°C - 175°C
- MAGNETYZM
- Znakomita
- Order number
- 20-264-0255
- Łańcuch
- 16B-3
- Pitch x Width[PxW]
- 1″ x 17.02mm
- Liczba zębów[Z]
- 58
- Średnica zewnętrzna[de]
- 482,1
- Średnica podziałowa[dp]
- 469,16
- Promień zęba[r3]
- 26
- Szerokość zaokrąglenia[C]
- 2,5
- Szrokość zęba[B1]
- 16,2
- Szerokość zęba[H]
- 16,2
- Średnica piasty[dm]
- 180
- Średnica otworu[D1]
- 180
- Masa
- 113,48
- Rodzaj piasty
- Spawana
- Szerokość zęba[b]
- 15,8
- Szerokość zębów[B2]
- 47,7
- Średnica otworu[D2]
- 47,7
- Szerokość zębów[B3]
- 79,6
- Średnica otworu[D3]
- 30
- Typ
- 30
- OBRÓBKA | TWARDOŚĆ
- 50 ± 5 HRC - Indukcyjnie hartowane zęby
Koło łańcuchowe 16B-3 58 zębów, z piastą i otworem wstępnym. Pasuje do łańcuchów rolkowych 16B-3 (1″ x 17.02mm) wykonanych wg normy DIN, PN, ISO. Koła zębate łańcuchowe są produkowane na maszynach CNC i posiadają hartowany indukcyjnie wieniec zębaty. Hartowane zęby zapewniają min. 2 krotne wydłużenie czasu pracy oraz sprawdzają się idealnie w trudnych warunkach pracy, gdzie występują duże lub dynamiczne obciążenia. Dodatkowo koła zostały wykończone czernioną powłoką, która nadaje im estetyczny wygląd i zapewnia ochronę antykorozyjną.
