20B-1, Z42 - KOŁO ŁAŃCUCHOWE - HARTOWANE ZĘBY + CZERNIONE
S20B1042HTBO
Koło łańcuchowe 20B-1 42 zębów, z piastą i otworem wstępnym. Pasuje do łańcuchów rolkowych 20B-1 (1″1/4 x 3/4″) wykonanych wg normy DIN, PN, ISO. Koła zębate łańcuchowe są produkowane na maszynach CNC i posiadają hartowany indukcyjnie wieniec zębaty. Hartowane zęby zapewniają min. 2 krotne wydłużenie czasu pracy oraz sprawdzają się idealnie w trudnych warunkach pracy, gdzie występują duże lub dynamiczne obciążenia. Dodatkowo koła zostały wykończone czernioną powłoką, która nadaje im estetyczny wygląd i zapewnia ochronę antykorozyjną.
428,53 zł
Netto
S20B1042HTBO
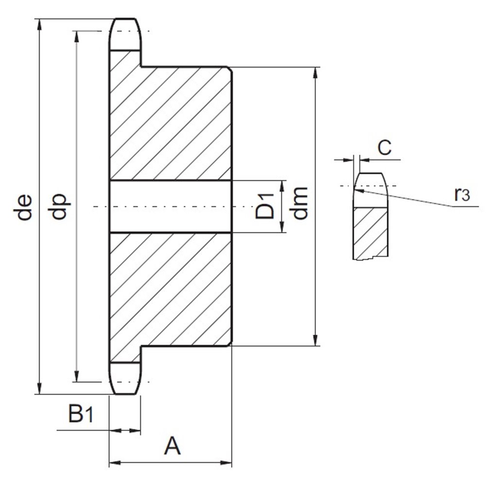
- Szerokość koła[A]
- 70
- Ilość rzędów
- 20-152-0175
- MARKA
- Terson
- SERIA
- BLACKR
- MATERIAŁ
- Stal C45 | 1.0503
- WYKOŃCZENIE
- Oksydowanie | Czernienie
- ODPORNOŚĆ KOROZYJNA
- Niska
- ZAKRES TEMPERATUR
- -40°C - 175°C
- ODPORNOŚĆ NA ZUŻYCIE
- Znakomita
- WYTRZYMAŁOŚĆ
- -40°C - 175°C
- MAGNETYZM
- Znakomita
- Order number
- 20-152-0175
- Łańcuch
- 20B-1
- Pitch x Width[PxW]
- 1″1/4 x 3/4″
- Liczba zębów[Z]
- 42
- Średnica zewnętrzna[de]
- 440,0
- Średnica podziałowa[dp]
- 424,86
- Promień zęba[r3]
- 32
- Szerokość zaokrąglenia[C]
- 3,5
- Szrokość zęba[B1]
- 18,5
- Szerokość zęba[H]
- 18,5
- Średnica piasty[dm]
- 150
- Średnica otworu[D1]
- 25
- Masa
- 27,46
- Rodzaj piasty
- Spawana
- Szerokość zęba[b]
- Spawana
- OBRÓBKA | TWARDOŚĆ
- 50 ± 5 HRC - Indukcyjnie hartowane zęby
Koło łańcuchowe 20B-1 42 zębów, z piastą i otworem wstępnym. Pasuje do łańcuchów rolkowych 20B-1 (1″1/4 x 3/4″) wykonanych wg normy DIN, PN, ISO. Koła zębate łańcuchowe są produkowane na maszynach CNC i posiadają hartowany indukcyjnie wieniec zębaty. Hartowane zęby zapewniają min. 2 krotne wydłużenie czasu pracy oraz sprawdzają się idealnie w trudnych warunkach pracy, gdzie występują duże lub dynamiczne obciążenia. Dodatkowo koła zostały wykończone czernioną powłoką, która nadaje im estetyczny wygląd i zapewnia ochronę antykorozyjną.
