24B-1, Z31 - KOŁO ŁAŃCUCHOWE - HARTOWANE ZĘBY + CZERNIONE
S24B1031HTBO
Koło łańcuchowe 24B-1 31 zębów, z piastą i otworem wstępnym. Pasuje do łańcuchów rolkowych 24B-1 (1″1/2 x 1″) wykonanych wg normy DIN, PN, ISO. Koła zębate łańcuchowe są produkowane na maszynach CNC i posiadają hartowany indukcyjnie wieniec zębaty. Hartowane zęby zapewniają min. 2 krotne wydłużenie czasu pracy oraz sprawdzają się idealnie w trudnych warunkach pracy, gdzie występują duże lub dynamiczne obciążenia. Dodatkowo koła zostały wykończone czernioną powłoką, która nadaje im estetyczny wygląd i zapewnia ochronę antykorozyjną.
390,38 zł
Netto
S24B1031HTBO
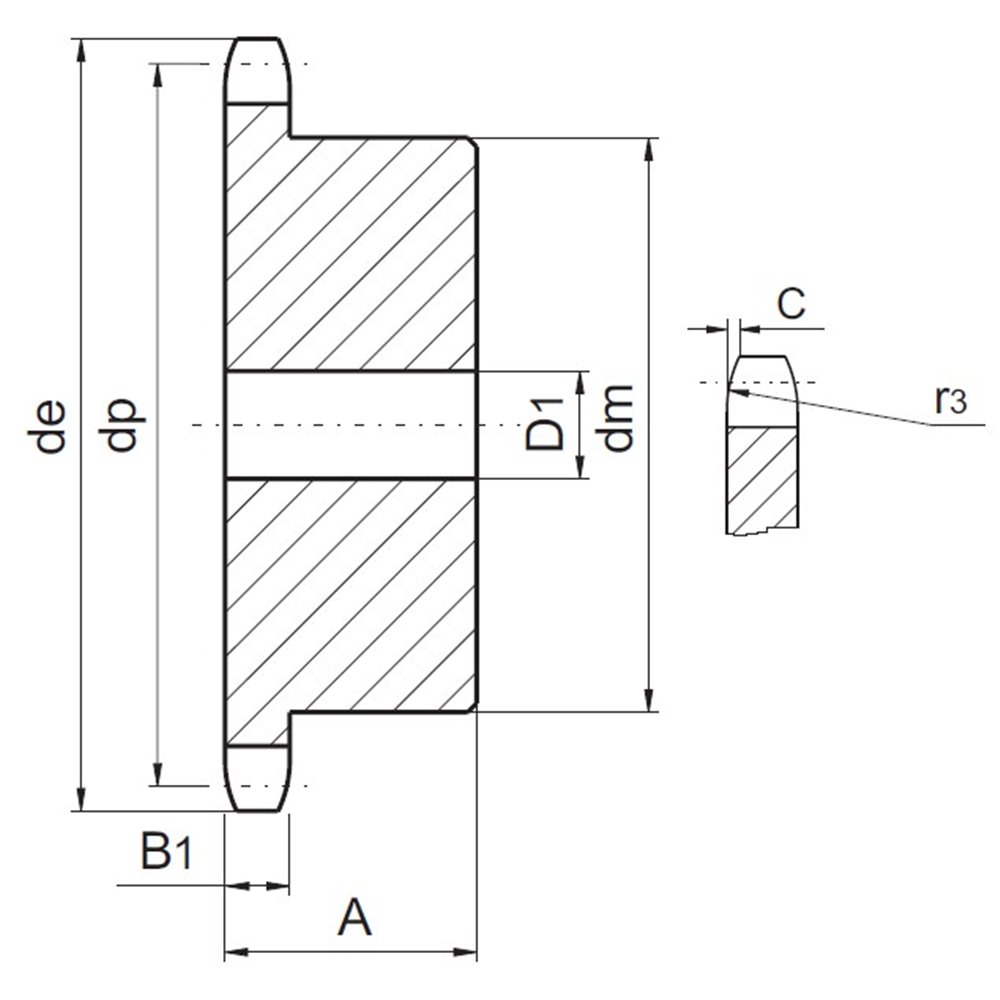
- Szerokość koła[A]
- 60
- Ilość rzędów
- 20-154-0120
- MARKA
- Terson
- SERIA
- BLACKR
- MATERIAŁ
- Stal C45 | 1.0503
- WYKOŃCZENIE
- Oksydowanie | Czernienie
- ODPORNOŚĆ KOROZYJNA
- Niska
- ZAKRES TEMPERATUR
- -40°C - 175°C
- ODPORNOŚĆ NA ZUŻYCIE
- Znakomita
- WYTRZYMAŁOŚĆ
- -40°C - 175°C
- MAGNETYZM
- Znakomita
- Order number
- 20-154-0120
- Łańcuch
- 24B-1
- Pitch x Width[PxW]
- 1″1/2 x 1″
- Liczba zębów[Z]
- 31
- Średnica zewnętrzna[de]
- 391,6
- Średnica podziałowa[dp]
- 376,62
- Promień zęba[r3]
- 38
- Szerokość zaokrąglenia[C]
- 4
- Szrokość zęba[B1]
- 24,1
- Szerokość zęba[H]
- 24,1
- Średnica piasty[dm]
- 150
- Średnica otworu[D1]
- 30
- Masa
- 25,72
- Rodzaj piasty
- Spawana
- Szerokość zęba[b]
- Spawana
- OBRÓBKA | TWARDOŚĆ
- 50 ± 5 HRC - Indukcyjnie hartowane zęby
Koło łańcuchowe 24B-1 31 zębów, z piastą i otworem wstępnym. Pasuje do łańcuchów rolkowych 24B-1 (1″1/2 x 1″) wykonanych wg normy DIN, PN, ISO. Koła zębate łańcuchowe są produkowane na maszynach CNC i posiadają hartowany indukcyjnie wieniec zębaty. Hartowane zęby zapewniają min. 2 krotne wydłużenie czasu pracy oraz sprawdzają się idealnie w trudnych warunkach pracy, gdzie występują duże lub dynamiczne obciążenia. Dodatkowo koła zostały wykończone czernioną powłoką, która nadaje im estetyczny wygląd i zapewnia ochronę antykorozyjną.
