28B-1, Z20 - KOŁO ŁAŃCUCHOWE - HARTOWANE ZĘBY + CZERNIONE
S28B1020HTBO
Koło łańcuchowe 28B-1 20 zębów, z piastą i otworem wstępnym. Pasuje do łańcuchów rolkowych 28B-1 (1″3/4 x 1″1/4) wykonanych wg normy DIN, PN, ISO. Koła zębate łańcuchowe są produkowane na maszynach CNC i posiadają hartowany indukcyjnie wieniec zębaty. Hartowane zęby zapewniają min. 2 krotne wydłużenie czasu pracy oraz sprawdzają się idealnie w trudnych warunkach pracy, gdzie występują duże lub dynamiczne obciążenia. Dodatkowo koła zostały wykończone czernioną powłoką, która nadaje im estetyczny wygląd i zapewnia ochronę antykorozyjną.
0,00 zł
Netto
S28B1020HTBO
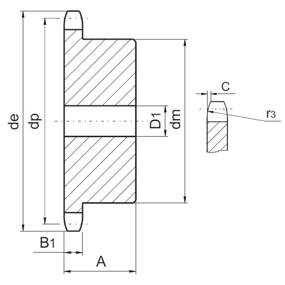
- Szerokość koła[A]
- 75
- Ilość rzędów
- 20-156-0065
- MARKA
- Terson
- SERIA
- BLACKR
- MATERIAŁ
- Stal C45 | 1.0503
- WYKOŃCZENIE
- Oksydowanie | Czernienie
- ODPORNOŚĆ KOROZYJNA
- Niska
- ZAKRES TEMPERATUR
- -40°C - 175°C
- ODPORNOŚĆ NA ZUŻYCIE
- Znakomita
- WYTRZYMAŁOŚĆ
- -40°C - 175°C
- MAGNETYZM
- Znakomita
- Order number
- 20-156-0065
- Łańcuch
- 28B-1
- Pitch x Width[PxW]
- 1″3/4 x 1″1/4
- Liczba zębów[Z]
- 20
- Średnica zewnętrzna[de]
- 303,0
- Średnica podziałowa[dp]
- 284,15
- Promień zęba[r3]
- 44
- Szerokość zaokrąglenia[C]
- 5
- Szrokość zęba[B1]
- 29,4
- Szerokość zęba[H]
- 29,4
- Średnica piasty[dm]
- 160
- Średnica otworu[D1]
- 30
- Masa
- 21,42
- Rodzaj piasty
- Spawana
- Szerokość zęba[b]
- Spawana
- OBRÓBKA | TWARDOŚĆ
- 50 ± 5 HRC - Indukcyjnie hartowane zęby
Koło łańcuchowe 28B-1 20 zębów, z piastą i otworem wstępnym. Pasuje do łańcuchów rolkowych 28B-1 (1″3/4 x 1″1/4) wykonanych wg normy DIN, PN, ISO. Koła zębate łańcuchowe są produkowane na maszynach CNC i posiadają hartowany indukcyjnie wieniec zębaty. Hartowane zęby zapewniają min. 2 krotne wydłużenie czasu pracy oraz sprawdzają się idealnie w trudnych warunkach pracy, gdzie występują duże lub dynamiczne obciążenia. Dodatkowo koła zostały wykończone czernioną powłoką, która nadaje im estetyczny wygląd i zapewnia ochronę antykorozyjną.
