Koło łańcuchowe 03B-1 Z46 z piastą, hartowane zęby
S03B1046HT
Koła łańcuchowe produkowane ze stali C45 i hartowanymi indukcyjnie zębami 03B-1 (5 x 2.5mm) 46 zębów. Produkowane zgodnie z normami DIN, ISO, PN. Idealne do trudnych warunków pracy, dużych i dynamicznych obciążeń.
0,00 zł
Netto
S03B1046HT
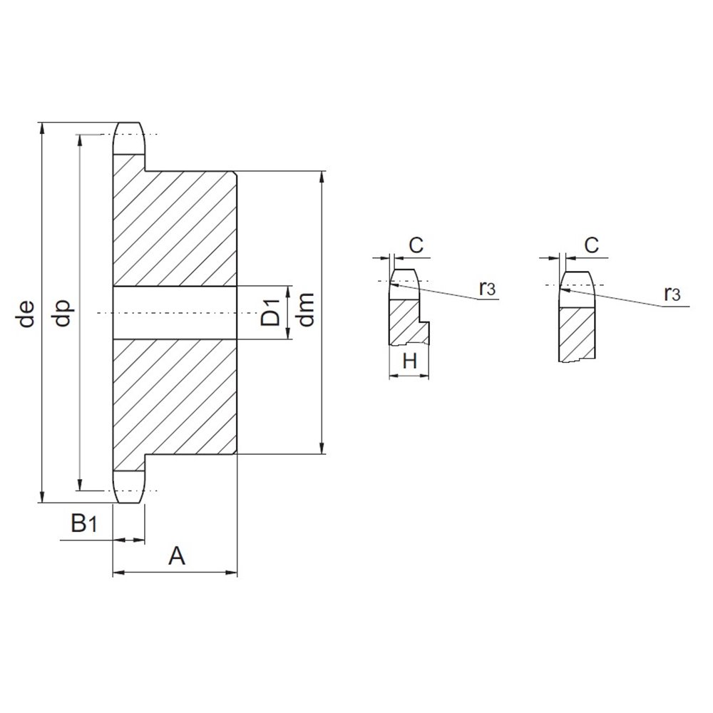
- Szerokość koła[A]
- 18
- MARKA
- Terson
- MATERIAŁ
- Stal C45 | 1.0503
- WYKOŃCZENIE
- Brak
- ODPORNOŚĆ KOROZYJNA
- Brak
- ZAKRES TEMPERATUR
- -40°C - 175°C
- ODPORNOŚĆ NA ZUŻYCIE
- Znakomita
- WYTRZYMAŁOŚĆ
- Znakomita
- Order number
- 20-100-0195
- Chain No.
- 20-100-0195
- Łańcuch
- 03B-1
- Pitch x Width[PxW]
- 5 x 2.5mm
- Liczba zębów[Z]
- 46
- Średnica zewnętrzna[de]
- 75,4
- Średnica podziałowa[dp]
- 73,27
- Promień zęba[r3]
- 5
- Szerokość zaokrąglenia[C]
- 0,6
- Szrokość zęba[B1]
- 2,3
- Szerokość zęba[H]
- 2,3
- Średnica piasty[dm]
- 40
- Średnica otworu[D1]
- 8
- Masa
- 0,22
- Rodzaj piasty
- Niespawana
- OBRÓBKA | TWARDOŚĆ
- 50 ± 5 HRC - Indukcyjnie hartowane zęby
Koła łańcuchowe produkowane ze stali C45 i hartowanymi indukcyjnie zębami 03B-1 (5 x 2.5mm) 46 zębów. Produkowane zgodnie z normami DIN, ISO, PN. Idealne do trudnych warunków pracy, dużych i dynamicznych obciążeń.
