Koło łańcuchowe 05B-1 Z120 z piastą, hartowane zęby
S05B10120HT
Koła łańcuchowe produkowane ze stali C45 i hartowanymi indukcyjnie zębami 05B-1 (8 x 3mm) 120 zębów. Produkowane zgodnie z normami DIN, ISO, PN. Idealne do trudnych warunków pracy, dużych i dynamicznych obciążeń.
0,00 zł
Netto
S05B10120HT
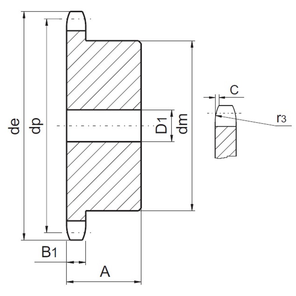
- Szerokość koła[A]
- 39
- MARKA
- Terson
- MATERIAŁ
- Stal C45 | 1.0503
- WYKOŃCZENIE
- Brak
- ODPORNOŚĆ KOROZYJNA
- Brak
- ZAKRES TEMPERATUR
- -40°C - 175°C
- ODPORNOŚĆ NA ZUŻYCIE
- Znakomita
- WYTRZYMAŁOŚĆ
- Znakomita
- Order number
- 20-104-0355
- Chain No.
- 20-104-0355
- Łańcuch
- 05B-1
- Pitch x Width[PxW]
- 8 x 3mm
- Liczba zębów[Z]
- 120
- Średnica zewnętrzna[de]
- 310,0
- Średnica podziałowa[dp]
- 305,61
- Promień zęba[r3]
- 8
- Szerokość zaokrąglenia[C]
- 1
- Szrokość zęba[B1]
- 2,8
- Średnica piasty[dm]
- 88
- Średnica otworu[D1]
- 10
- Masa
- 3,32
- Rodzaj piasty
- Spawana
- OBRÓBKA | TWARDOŚĆ
- 50 ± 5 HRC - Indukcyjnie hartowane zęby
Koła łańcuchowe produkowane ze stali C45 i hartowanymi indukcyjnie zębami 05B-1 (8 x 3mm) 120 zębów. Produkowane zgodnie z normami DIN, ISO, PN. Idealne do trudnych warunków pracy, dużych i dynamicznych obciążeń.
