Koło łańcuchowe 08B-1 Z28 z piastą, hartowane zęby
S08B1028HT
121 Przedmioty
Koła łańcuchowe produkowane ze stali C45 i hartowanymi indukcyjnie zębami 08B-1 (1/2″ x 5/16″) 28 zębów. Produkowane zgodnie z normami DIN, ISO, PN. Idealne do trudnych warunków pracy, dużych i dynamicznych obciążeń.
26,65 zł
Netto
S08B1028HT
121 Przedmioty
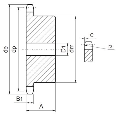
- Szerokość koła[A]
- 30
- MARKA
- Terson
- MATERIAŁ
- Stal C45 | 1.0503
- WYKOŃCZENIE
- Brak
- ODPORNOŚĆ KOROZYJNA
- Brak
- ZAKRES TEMPERATUR
- -40°C - 175°C
- ODPORNOŚĆ NA ZUŻYCIE
- Znakomita
- WYTRZYMAŁOŚĆ
- Znakomita
- Order number
- 20-108-0105
- Chain No.
- 20-108-0105
- Łańcuch
- 08B-1
- Pitch x Width[PxW]
- 1/2″ x 5/16″
- Liczba zębów[Z]
- 28
- Średnica zewnętrzna[de]
- 118,0
- Średnica podziałowa[dp]
- 113,42
- Promień zęba[r3]
- 13
- Szerokość zaokrąglenia[C]
- 1,3
- Szrokość zęba[B1]
- 7,2
- Średnica piasty[dm]
- 70
- Średnica otworu[D1]
- 16
- Masa
- 1,21
- Rodzaj piasty
- Niespawana
- OBRÓBKA | TWARDOŚĆ
- 50 ± 5 HRC - Indukcyjnie hartowane zęby
Koła łańcuchowe produkowane ze stali C45 i hartowanymi indukcyjnie zębami 08B-1 (1/2″ x 5/16″) 28 zębów. Produkowane zgodnie z normami DIN, ISO, PN. Idealne do trudnych warunków pracy, dużych i dynamicznych obciążeń.
