Koło łańcuchowe 10B-1 Z100 z piastą, hartowane zęby
S10B10100HT
Koła łańcuchowe produkowane ze stali C45 i hartowanymi indukcyjnie zębami 10B-1 (5/8″ x 3/8″) 100 zębów. Produkowane zgodnie z normami DIN, ISO, PN. Idealne do trudnych warunków pracy, dużych i dynamicznych obciążeń.
0,00 zł
Netto
S10B10100HT
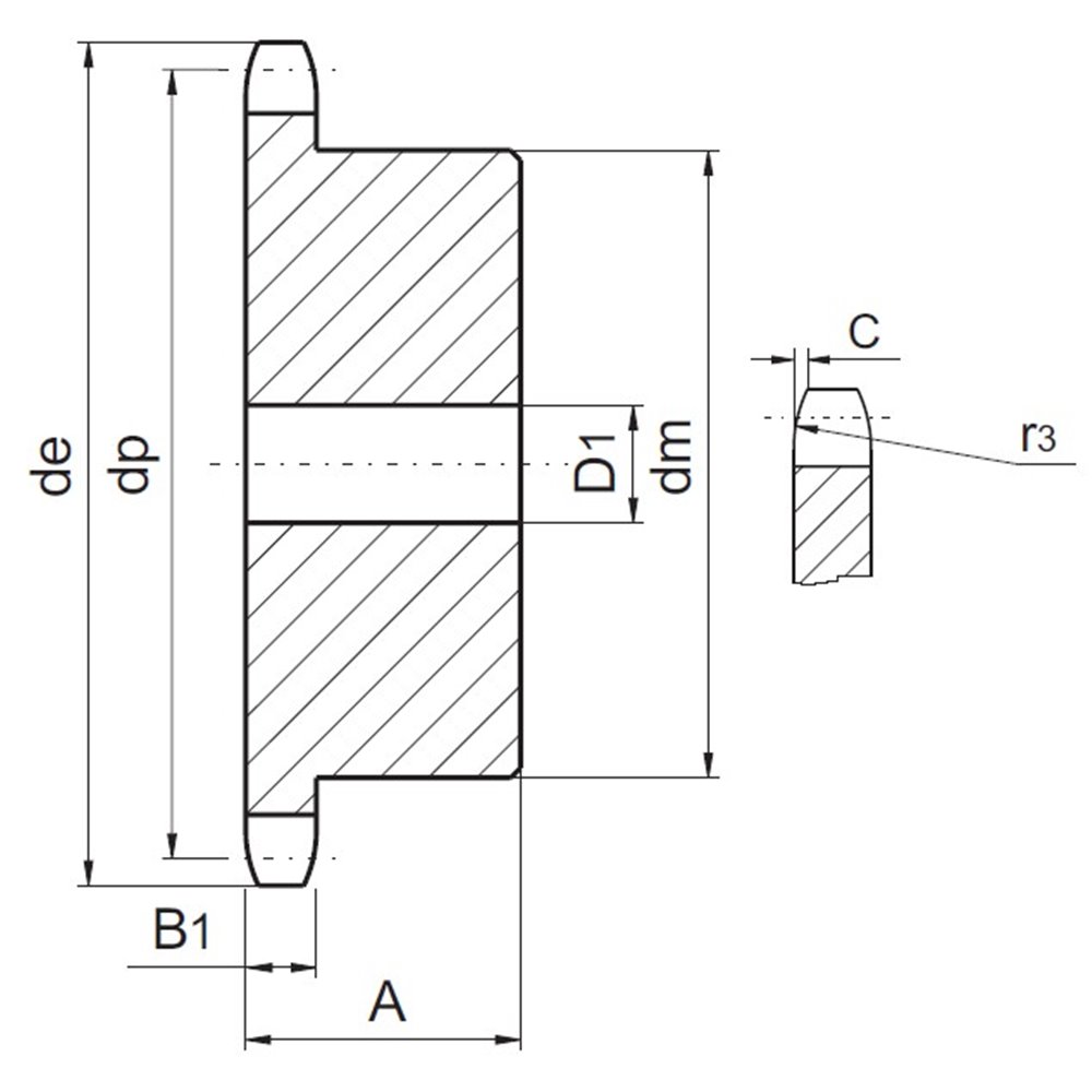
- Szerokość koła[A]
- 50
- MARKA
- Terson
- MATERIAŁ
- Stal C45 | 1.0503
- WYKOŃCZENIE
- Brak
- ODPORNOŚĆ KOROZYJNA
- Brak
- ZAKRES TEMPERATUR
- -40°C - 175°C
- ODPORNOŚĆ NA ZUŻYCIE
- Znakomita
- WYTRZYMAŁOŚĆ
- Znakomita
- Order number
- 20-116-0340
- Chain No.
- 20-116-0340
- Łańcuch
- 10B-1
- Pitch x Width[PxW]
- 5/8″ x 3/8″
- Liczba zębów[Z]
- 100
- Średnica zewnętrzna[de]
- 513,4
- Średnica podziałowa[dp]
- 505,40
- Promień zęba[r3]
- 16
- Szerokość zaokrąglenia[C]
- 1,6
- Szrokość zęba[B1]
- 9,1
- Średnica piasty[dm]
- 100
- Średnica otworu[D1]
- 20
- Masa
- 16,73
- Rodzaj piasty
- Spawana
- OBRÓBKA | TWARDOŚĆ
- 50 ± 5 HRC - Indukcyjnie hartowane zęby
Koła łańcuchowe produkowane ze stali C45 i hartowanymi indukcyjnie zębami 10B-1 (5/8″ x 3/8″) 100 zębów. Produkowane zgodnie z normami DIN, ISO, PN. Idealne do trudnych warunków pracy, dużych i dynamicznych obciążeń.
