Koło łańcuchowe 10B-2 Z15 z piastą, hartowane zęby
S10B2015HT
58 Przedmioty
Koła łańcuchowe produkowane ze stali C45 i hartowanymi indukcyjnie zębami 10B-2 (5/8″ x 3/8″) 15 zębów. Produkowane zgodnie z normami DIN, ISO, PN. Idealne do trudnych warunków pracy, dużych i dynamicznych obciążeń.
16,45 zł
Netto
S10B2015HT
58 Przedmioty
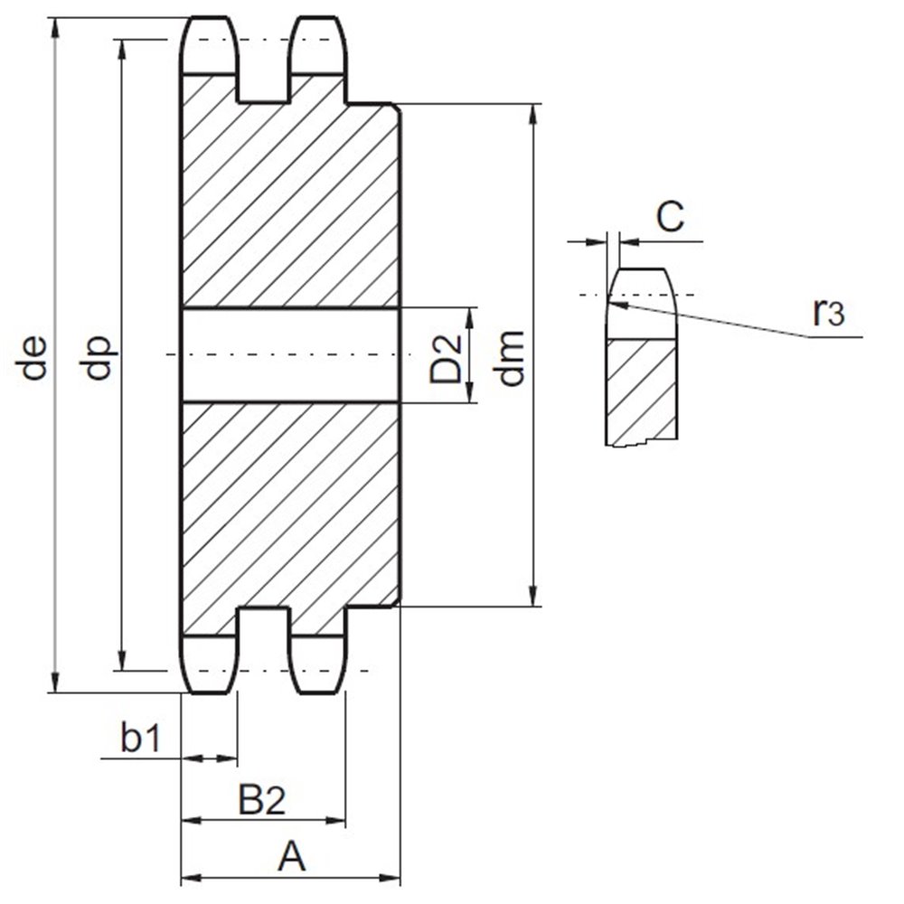
- Szerokość koła[A]
- 40
- MARKA
- Terson
- MATERIAŁ
- Stal C45 | 1.0503
- WYKOŃCZENIE
- Brak
- ODPORNOŚĆ KOROZYJNA
- Brak
- ZAKRES TEMPERATUR
- -40°C - 175°C
- ODPORNOŚĆ NA ZUŻYCIE
- Znakomita
- WYTRZYMAŁOŚĆ
- Znakomita
- Order number
- 20-190-0040
- Chain No.
- 20-190-0040
- Łańcuch
- 10B-2
- Pitch x Width[PxW]
- 5/8″ x 3/8″
- Liczba zębów[Z]
- 15
- Średnica zewnętrzna[de]
- 83,0
- Średnica podziałowa[dp]
- 76,36
- Promień zęba[r3]
- 16
- Szerokość zaokrąglenia[C]
- 1,6
- Szrokość zęba[B1]
- 9,1
- Średnica piasty[dm]
- 59
- Masa
- 1,18
- Rodzaj piasty
- Niespawana
- Szerokość zęba[b]
- 9
- Szerokość zębów[B2]
- 25,5
- Średnica otworu[D2]
- 14
- OBRÓBKA | TWARDOŚĆ
- 50 ± 5 HRC - Indukcyjnie hartowane zęby
Koła łańcuchowe produkowane ze stali C45 i hartowanymi indukcyjnie zębami 10B-2 (5/8″ x 3/8″) 15 zębów. Produkowane zgodnie z normami DIN, ISO, PN. Idealne do trudnych warunków pracy, dużych i dynamicznych obciążeń.
