Koło łańcuchowe 12B-2 Z75 z piastą, hartowane zęby
S12B2075HT
Koła łańcuchowe produkowane ze stali C45 i hartowanymi indukcyjnie zębami 12B-2 (3/4″ x 7/16″) 75 zębów. Produkowane zgodnie z normami DIN, ISO, PN. Idealne do trudnych warunków pracy, dużych i dynamicznych obciążeń.
0,00 zł
Netto
S12B2075HT
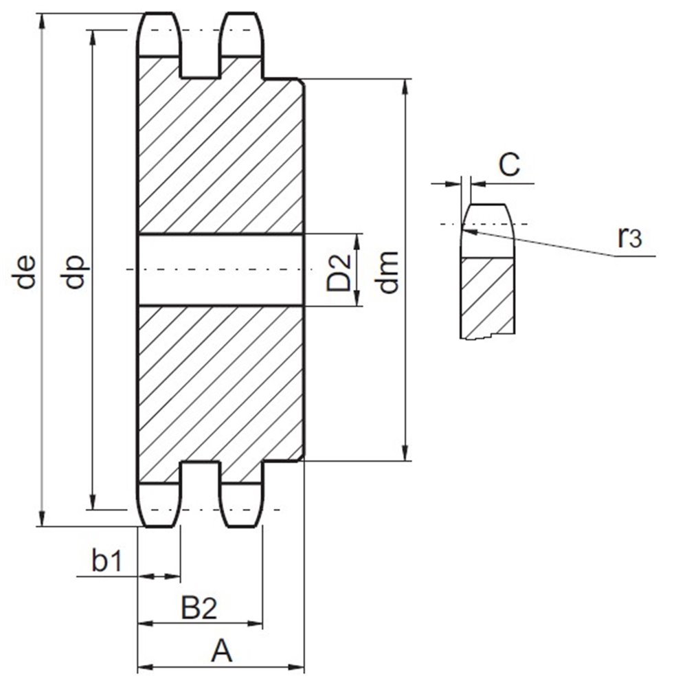
- Szerokość koła[A]
- 63
- MARKA
- Terson
- MATERIAŁ
- Stal C45 | 1.0503
- WYKOŃCZENIE
- Brak
- ODPORNOŚĆ KOROZYJNA
- Brak
- ZAKRES TEMPERATUR
- -40°C - 175°C
- ODPORNOŚĆ NA ZUŻYCIE
- Znakomita
- WYTRZYMAŁOŚĆ
- Znakomita
- Order number
- 20-192-0305
- Chain No.
- 20-192-0305
- Łańcuch
- 12B-2
- Pitch x Width[PxW]
- 3/4″ x 7/16″
- Liczba zębów[Z]
- 75
- Średnica zewnętrzna[de]
- 463,9
- Średnica podziałowa[dp]
- 454,92
- Promień zęba[r3]
- 19
- Szerokość zaokrąglenia[C]
- 2
- Szrokość zęba[B1]
- 11,1
- Średnica piasty[dm]
- 140
- Masa
- 42,37
- Rodzaj piasty
- Spawana
- Szerokość zęba[b]
- 10,8
- Szerokość zębów[B2]
- 30,3
- Średnica otworu[D2]
- 25
- OBRÓBKA | TWARDOŚĆ
- 50 ± 5 HRC - Indukcyjnie hartowane zęby
Koła łańcuchowe produkowane ze stali C45 i hartowanymi indukcyjnie zębami 12B-2 (3/4″ x 7/16″) 75 zębów. Produkowane zgodnie z normami DIN, ISO, PN. Idealne do trudnych warunków pracy, dużych i dynamicznych obciążeń.
