Koło łańcuchowe 20B-2 Z20 z piastą, hartowane zęby
S20B2020HT
Koła łańcuchowe produkowane ze stali C45 i hartowanymi indukcyjnie zębami 20B-2 (1″1/4 x 3/4″) 20 zębów. Produkowane zgodnie z normami DIN, ISO, PN. Idealne do trudnych warunków pracy, dużych i dynamicznych obciążeń.
235,27 zł
Netto
S20B2020HT
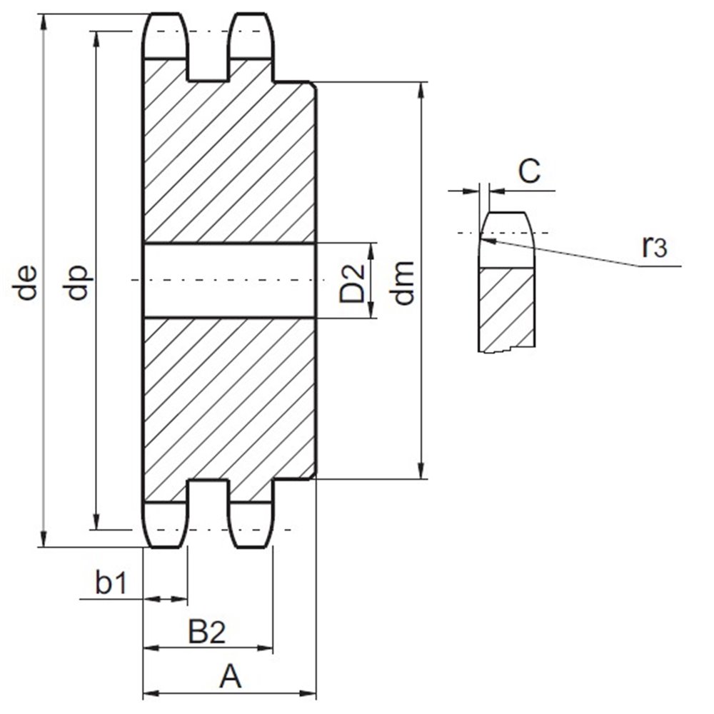
- Szerokość koła[A]
- 80
- MARKA
- Terson
- MATERIAŁ
- Stal C45 | 1.0503
- WYKOŃCZENIE
- Brak
- ODPORNOŚĆ KOROZYJNA
- Brak
- ZAKRES TEMPERATUR
- -40°C - 175°C
- ODPORNOŚĆ NA ZUŻYCIE
- Znakomita
- WYTRZYMAŁOŚĆ
- Znakomita
- Order number
- 20-196-0065
- Chain No.
- 20-196-0065
- Łańcuch
- 20B-2
- Pitch x Width[PxW]
- 1″1/4 x 3/4″
- Liczba zębów[Z]
- 20
- Średnica zewnętrzna[de]
- 218,1
- Średnica podziałowa[dp]
- 202,98
- Promień zęba[r3]
- 32
- Szerokość zaokrąglenia[C]
- 3,5
- Szrokość zęba[B1]
- 18,5
- Średnica piasty[dm]
- 120
- Masa
- 15,82
- Rodzaj piasty
- Spawana
- Szerokość zęba[b]
- 18,2
- Szerokość zębów[B2]
- 54,6
- Średnica otworu[D2]
- 25
- OBRÓBKA | TWARDOŚĆ
- 50 ± 5 HRC - Indukcyjnie hartowane zęby
Koła łańcuchowe produkowane ze stali C45 i hartowanymi indukcyjnie zębami 20B-2 (1″1/4 x 3/4″) 20 zębów. Produkowane zgodnie z normami DIN, ISO, PN. Idealne do trudnych warunków pracy, dużych i dynamicznych obciążeń.
