Koło łańcuchowe 24B-2 Z48 z piastą, hartowane zęby
S24B2048HT
Koła łańcuchowe produkowane ze stali C45 i hartowanymi indukcyjnie zębami 24B-2 (1″1/2 x 1″) 48 zębów. Produkowane zgodnie z normami DIN, ISO, PN. Idealne do trudnych warunków pracy, dużych i dynamicznych obciążeń.
0,00 zł
Netto
S24B2048HT
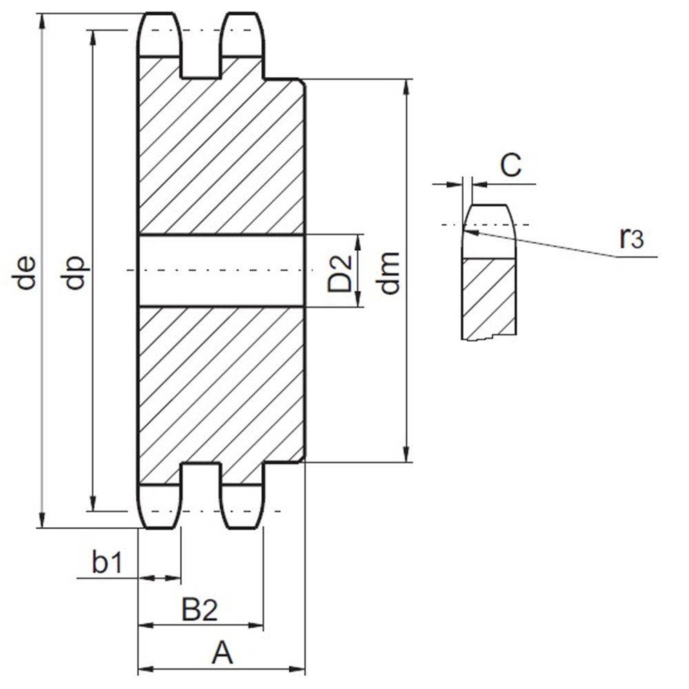
- Szerokość koła[A]
- 100
- MARKA
- Terson
- MATERIAŁ
- Stal C45 | 1.0503
- WYKOŃCZENIE
- Brak
- ODPORNOŚĆ KOROZYJNA
- Brak
- ZAKRES TEMPERATUR
- -40°C - 175°C
- ODPORNOŚĆ NA ZUŻYCIE
- Znakomita
- WYTRZYMAŁOŚĆ
- Znakomita
- Order number
- 20-198-0205
- Chain No.
- 20-198-0205
- Łańcuch
- 24B-2
- Pitch x Width[PxW]
- 1″1/2 x 1″
- Liczba zębów[Z]
- 48
- Średnica zewnętrzna[de]
- 597,4
- Średnica podziałowa[dp]
- 582,54
- Promień zęba[r3]
- 38
- Szerokość zaokrąglenia[C]
- 4
- Szrokość zęba[B1]
- 24,1
- Średnica piasty[dm]
- 180
- Masa
- 155,68
- Rodzaj piasty
- Spawana
- Szerokość zęba[b]
- 23,6
- Szerokość zębów[B2]
- 72
- Średnica otworu[D2]
- 30
- OBRÓBKA | TWARDOŚĆ
- 50 ± 5 HRC - Indukcyjnie hartowane zęby
Koła łańcuchowe produkowane ze stali C45 i hartowanymi indukcyjnie zębami 24B-2 (1″1/2 x 1″) 48 zębów. Produkowane zgodnie z normami DIN, ISO, PN. Idealne do trudnych warunków pracy, dużych i dynamicznych obciążeń.
