Koło łańcuchowe 32B-3 Z28 z piastą, hartowane zęby
S32B3028HT
Koła łańcuchowe produkowane ze stali C45 i hartowanymi indukcyjnie zębami 32B-3 (2″ x 1″1/4) 28 zębów. Produkowane zgodnie z normami DIN, ISO, PN. Idealne do trudnych warunków pracy, dużych i dynamicznych obciążeń.
0,00 zł
Netto
S32B3028HT
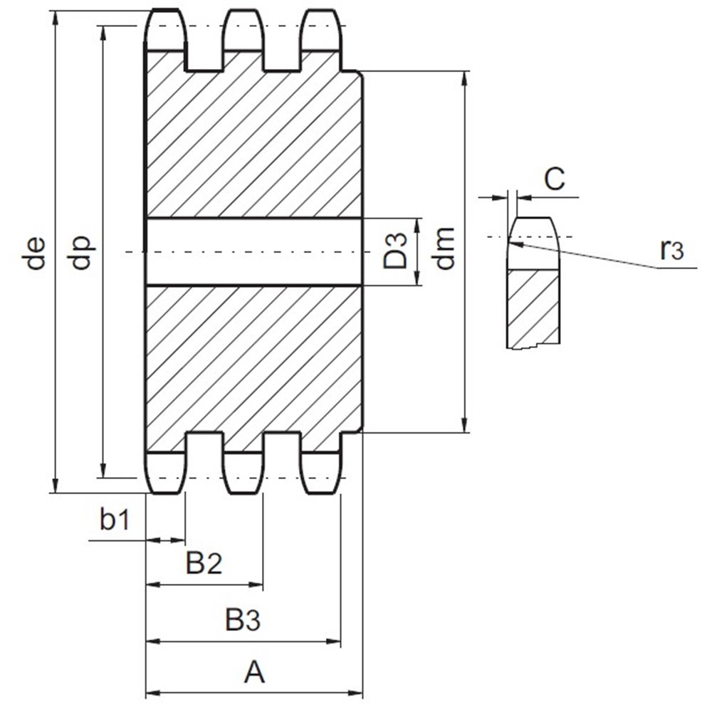
- Szerokość koła[A]
- 180
- MARKA
- Terson
- MATERIAŁ
- Stal C45 | 1.0503
- WYKOŃCZENIE
- Brak
- ODPORNOŚĆ KOROZYJNA
- Brak
- ZAKRES TEMPERATUR
- -40°C - 175°C
- ODPORNOŚĆ NA ZUŻYCIE
- Znakomita
- WYTRZYMAŁOŚĆ
- Znakomita
- Order number
- 20-254-0105
- Chain No.
- 20-254-0105
- Łańcuch
- 32B-3
- Pitch x Width[PxW]
- 2″ x 1″1/4
- Liczba zębów[Z]
- 28
- Średnica zewnętrzna[de]
- 474,2
- Średnica podziałowa[dp]
- 453,69
- Promień zęba[r3]
- 51
- Szerokość zaokrąglenia[C]
- 5
- Szrokość zęba[B1]
- 29,4
- Średnica piasty[dm]
- 200
- Masa
- 191,89
- Rodzaj piasty
- Spawana
- Szerokość zęba[b]
- 28,8
- Szerokość zębów[B2]
- 87,4
- Szerokość zębów[B3]
- 146
- Średnica otworu[D3]
- 40
- OBRÓBKA | TWARDOŚĆ
- 50 ± 5 HRC - Indukcyjnie hartowane zęby
Koła łańcuchowe produkowane ze stali C45 i hartowanymi indukcyjnie zębami 32B-3 (2″ x 1″1/4) 28 zębów. Produkowane zgodnie z normami DIN, ISO, PN. Idealne do trudnych warunków pracy, dużych i dynamicznych obciążeń.
