-
- USŁUGI
- AKCESORIA DO BRAM PRZESUWNYCH
- KOŁA ŁAŃCUCHOWE
- OCZYSZCZALNIE ŚCIEKÓW
- ŁAŃCUCHY TRANSPORTOWE WEBSTER
- LISTWY ZĘBATE
- KOŁA ZĘBATE
- ŁAŃCUCHY ROLKOWE
- ŁAŃCUCHY O PODWÓJNEJ PODZIAŁCE
- PŁYTKA PROSTA
- ŁAŃCUCHY PŁYTKOWE
- Łańcuchy rolkowe samosmarujące
- Łańcuchy rolkowe O-Ring
- Łańcuchy rolkowe z pustym sworzniem
- DO PRACY PO ŁUKU
- Łańcuchy rolkowe standardowe
- H - WZMOCNIONE
- HE - WZMOCNIONE
- SUPER - WZMOCNIONE
- Łańcuchy rolkowe wzmocnione
- SPINKI DO ŁAŃCUCHÓW
- Łańcuchy nierdzewne
- ŁAŃCUCHY TRANSPORTOWE
Filtruj według
Łańcuch
Łańcuch
-
(brak filtra) 03B-1 (144) 04B-1 (144) 05B-1 (144) 05B-2 (144) 06B-1 (72) 06B-2 (72) 06B-3 (138) 08B-1 (71) 08B-2 (72) 08B-3 (72) 10B-1 (72) 10B-2 (72) 10B-3 (72) 12B-1 (72) 12B-2 (72) 12B-3 (72) 16B-1 (72) 16B-2 (72) 16B-3 (144) 20B-1 (136) 20B-2 (136) 20B-3 (136) 24B-1 (130) 24B-2 (130) 24B-3 (99) 28B-1 (38) 28B-2 (38) 28B-3 (38) 32B-1 (32) 32B-2 (32) 32B-3 (32) 081B-1 (142) 083B/084B-1 (142)
Liczba zębów[Z]
Liczba zębów[Z]
-
(brak filtra) 8 (46) 9 (47) 10 (47) 11 (47) 12 (47) 13 (47) 14 (47) 15 (47) 16 (47) 17 (47) 18 (47) 19 (47) 20 (47) 21 (47) 22 (47) 23 (47) 24 (47) 25 (47) 26 (47) 27 (47) 28 (47) 29 (47) 30 (47) 31 (44) 32 (47) 33 (44) 34 (44) 35 (47) 36 (44) 37 (44) 38 (47) 39 (44) 40 (47) 41 (41) 42 (40) 43 (40) 44 (40) 45 (46) 46 (40) 47 (40) 48 (40) 49 (40) 50 (46) 51 (40) 52 (40) 53 (40) 54 (40) 55 (40) 56 (40) 57 (46) 58 (40) 59 (40) 60 (46) 62 (40) 64 (40) 65 (40) 66 (40) 68 (40) 70 (40) 72 (40) 75 (36) 76 (46) 78 (29) 80 (40) 85 (40) 90 (35) 95 (39) 100 (34) 110 (28) 114 (34) 120 (28) 125 (28)
Średnica zewnętrzna[de]
Średnica zewnętrzna[de]
-
(brak filtra) 15,2 (2) 16,8 (2) 18,0 (2) 18,3 (2) 19,9 (4) 21,5 (2) 21,7 (2) 23,0 (2) 23,6 (2) 24,0 (4) 24,6 (2) 25,4 (2) 26,2 (2) 26,6 (4) 27,3 (2) 27,8 (2) 28,0 (4) 29,2 (6) 29,4 (2) 30,9 (2) 31,0 (6) 31,7 (4) 32,5 (2) 33,0 (2) 34,0 (4) 34,1 (2) 34,2 (4) 35,0 (2) 35,7 (2) 36,7 (4) 36,9 (2) 37,0 (4) 37,2 (4) 37,3 (2) 38,5 (2) 38,8 (2) 38,9 (2) 39,2 (4) 40,0 (4) 40,5 (2) 40,7 (2) 41,0 (3) 41,5 (4) 41,7 (4) 42,0 (2) 42,6 (2) 43,0 (4) 43,6 (2) 44,3 (4) 44,5 (2) 45,2 (5) 46,2 (4) 46,3 (4) 46,4 (2) 46,8 (6) 47,0 (3) 48,3 (2) 48,4 (2) 48,7 (3) 49,3 (8) 49,6 (4) 50,0 (2) 50,2 (2) 51,6 (2) 51,9 (4) 52,1 (2) 52,3 (4) 52,6 (3) 53,0 (3) 53,2 (2) 53,9 (4) 54,0 (2) 54,4 (4) 54,8 (2) 55,3 (4) 55,9 (2) 56,3 (2) 57,0 (4) 57,4 (3) 57,5 (3) 57,6 (3) 57,8 (2) 57,9 (2) 58,3 (4) 58,4 (4) 59,5 (6) 59,8 (2) 61,1 (2) 61,3 (4) 61,7 (2) 61,8 (3) 62,0 (7) 62,7 (2) 62,8 (4) 63,0 (3) 63,6 (2) 64,3 (6) 64,6 (4) 65,5 (5) 65,9 (2) 66,8 (4) 67,4 (2) 67,5 (6) 68,0 (7) 69,0 (3) 69,1 (2) 69,3 (2) 69,5 (7) 70,6 (2) 70,9 (4) 71,0 (4) 71,2 (2) 72,2 (6) 73,0 (3) 73,1 (2) 73,5 (4) 73,6 (3) 73,8 (2) 74,8 (4) 74,9 (4) 75,0 (5) 75,4 (2) 76,9 (2) 77,0 (10) 77,3 (4) 77,8 (3) 78,0 (3) 78,6 (2) 78,9 (6) 79,8 (4) 80,0 (4) 80,2 (2) 80,8 (2) 81,5 (3) 81,7 (3) 81,8 (2) 82,4 (4) 82,7 (2) 82,9 (4) 83,0 (7) 83,4 (2) 84,7 (2) 84,9 (4) 85,0 (6) 85,8 (3) 86,0 (4) 86,6 (4) 86,9 (4) 87,5 (7) 88,0 (3) 88,1 (2) 88,5 (2) 89,0 (4) 89,7 (5) 90,0 (4) 90,4 (2) 91,0 (4) 91,3 (2) 92,0 (4) 92,3 (2) 92,5 (4) 92,9 (2) 93,0 (7) 93,6 (3) 93,8 (3) 94,2 (2) 94,5 (2) 94,7 (4) 95,0 (8) 96,1 (4) 97,6 (4) 97,7 (2) 98,0 (2) 98,1 (6) 98,2 (3) 98,3 (7) 99,0 (4) 99,8 (3) 99,9 (2) 100,2 (4) 100,9 (2) 101,3 (4) 101,5 (4) 101,8 (5) 102,7 (4) 103,0 (4) 103,3 (3) 103,7 (2) 104,1 (2) 104,3 (4) 105,3 (4) 105,5 (3) 105,6 (4) 105,8 (3) 107,1 (4) 107,2 (2) 107,3 (4) 107,6 (2) 107,8 (4) 108,0 (6) 108,4 (3) 109,0 (4) 109,5 (2) 110,0 (3) 110,4 (10) 111,2 (4) 111,4 (2) 111,5 (3) 112,9 (4) 113,3 (2) 113,4 (7) 113,6 (2) 114,0 (3) 115,0 (6) 115,2 (2) 115,4 (4) 115,5 (4) 116,4 (4) 116,8 (2) 117,0 (4) 117,1 (2) 117,9 (6) 118,0 (13) 119,4 (4) 119,5 (4) 120,6 (4) 120,9 (2) 121,6 (2) 122,0 (3) 122,5 (4) 123,1 (6) 123,4 (4) 123,5 (3) 124,2 (3) 124,7 (2) 125,0 (4) 125,5 (4) 125,6 (4) 126,1 (3) 126,3 (2) 126,4 (6) 126,6 (2) 127,5 (4) 127,8 (6) 128,2 (4) 128,3 (3) 128,5 (6) 129,5 (2) 129,7 (3) 130,2 (3) 130,7 (4) 131,5 (4) 131,6 (4) 132,0 (3) 132,4 (2) 133,0 (4) 133,3 (4) 134,0 (3) 134,3 (3) 134,6 (4) 135,5 (4) 135,8 (4) 136,0 (3) 136,2 (2) 137,5 (2) 137,6 (4) 137,8 (6) 138,0 (6) 138,4 (7) 139,0 (3) 139,6 (4) 140,0 (2) 140,7 (4) 140,9 (4) 141,0 (4) 141,8 (3) 142,6 (3) 143,5 (4) 143,6 (4) 143,7 (4) 144,0 (3) 145,4 (2) 145,7 (2) 146,0 (4) 146,7 (7) 147,6 (6) 147,8 (6) 148,4 (3) 148,6 (4) 148,7 (3) 149,0 (7) 149,7 (4) 150,0 (6) 151,0 (7) 151,5 (2) 151,7 (4) 152,7 (4) 153,2 (3) 153,4 (2) 153,6 (4) 153,8 (3) 153,9 (3) 154,6 (3) 155,3 (2) 155,7 (8) 156,2 (4) 157,0 (4) 157,8 (6) 158,6 (3) 158,7 (4) 158,8 (3) 159,8 (4) 160,0 (3) 161,3 (2) 161,8 (4) 162,0 (10) 162,3 (3) 162,7 (3) 163,8 (4) 163,9 (3) 164,8 (6) 165,2 (4) 165,9 (3) 166,8 (3) 167,1 (4) 167,8 (8) 167,9 (6) 168,9 (3) 169,0 (3) 169,6 (4) 170,8 (4) 171,4 (7) 172,2 (4) 172,3 (3) 173,2 (4) 173,8 (4) 174,2 (6) 174,4 (2) 174,5 (3) 175,4 (7) 176,3 (3) 176,9 (4) 177,2 (2) 177,3 (4) 177,9 (6) 178,0 (3) 179,0 (3) 179,5 (4) 179,7 (3) 179,9 (4) 181,2 (4) 182,4 (4) 183,0 (4) 183,5 (4) 183,6 (2) 183,8 (3) 183,9 (2) 184,1 (6) 185,0 (3) 186,0 (4) 186,2 (6) 187,5 (8) 187,9 (6) 188,0 (3) 189,1 (3) 189,3 (4) 189,5 (3) 190,5 (3) 191,6 (4) 192,1 (7) 193,2 (2) 193,5 (2) 194,2 (3) 195,1 (4) 195,6 (4) 196,2 (3) 196,3 (3) 197,5 (4) 197,7 (4) 198,0 (6) 198,2 (10) 199,2 (3) 199,7 (4) 200,3 (3) 200,8 (3) 201,1 (2) 201,6 (4) 202,8 (4) 203,3 (3) 203,7 (4) 204,2 (6) 204,3 (3) 204,6 (4) 205,5 (4) 207,8 (4) 207,9 (4) 208,1 (6) 208,3 (3) 209,3 (6) 210,3 (6) 210,7 (4) 211,8 (4) 212,1 (3) 212,6 (2) 213,5 (4) 214,6 (3) 214,8 (3) 215,9 (4) 216,1 (3) 216,7 (4) 216,8 (3) 218,1 (6) 218,2 (3) 219,9 (7) 220,2 (5) 220,6 (4) 221,0 (3) 221,6 (4) 222,3 (6) 222,8 (4) 224,0 (4) 224,1 (3) 224,9 (3) 226,8 (3) 228,0 (4) 228,1 (3) 228,2 (6) 229,6 (4) 230,0 (3) 231,7 (2) 231,9 (4) 232,1 (4) 232,2 (3) 232,3 (3) 232,8 (3) 232,9 (3) 233,4 (4) 234,3 (6) 234,9 (4) 235,0 (3) 236,1 (4) 236,4 (3) 237,7 (4) 238,3 (6) 239,0 (3) 240,1 (3) 240,2 (4) 240,5 (3) 241,0 (4) 241,2 (2) 244,2 (4) 244,5 (3) 245,1 (6) 245,8 (4) 246,1 (4) 246,3 (3) 246,5 (6) 247,1 (4) 248,2 (4) 248,3 (6) 248,6 (3) 248,8 (3) 250,2 (3) 251,3 (3) 254,0 (4) 255,2 (3) 256,7 (4) 256,9 (3) 257,3 (3) 258,4 (6) 258,6 (6) 258,9 (4) 260,0 (3) 260,3 (3) 262,0 (4) 262,2 (4) 264,5 (3) 264,8 (7) 265,1 (3) 265,3 (3) 268,5 (6) 268,8 (4) 269,0 (3) 270,0 (4) 270,4 (3) 270,5 (3) 270,6 (6) 272,9 (4) 273,0 (3) 274,0 (3) 275,4 (3) 276,5 (3) 277,4 (4) 278,5 (4) 278,6 (6) 280,5 (3) 280,9 (7) 281,0 (3) 282,5 (3) 282,7 (6) 284,3 (4) 285,5 (3) 287,0 (4) 287,9 (3) 288,6 (6) 289,0 (10) 290,6 (3) 292,5 (3) 294,0 (3) 294,5 (4) 294,8 (6) 296,0 (3) 296,2 (4) 296,9 (3) 297,1 (4) 297,2 (3) 298,7 (6) 300,1 (3) 300,7 (3) 303,0 (3) 304,6 (4) 305,7 (3) 306,2 (3) 306,8 (6) 307,7 (3) 308,8 (6) 309,2 (3) 310,0 (4) 310,8 (3) 312,3 (3) 312,6 (4) 313,0 (3) 313,3 (7) 317,0 (3) 318,4 (3) 318,9 (6) 319,0 (6) 320,7 (4) 321,4 (10) 322,5 (4) 324,5 (3) 328,8 (4) 329,0 (6) 329,1 (3) 329,4 (7) 330,5 (3) 331,0 (9) 331,5 (3) 336,5 (3) 336,6 (3) 336,9 (4) 338,0 (3) 339,1 (6) 341,6 (3) 342,7 (3) 343,2 (6) 345,0 (7) 345,2 (3) 348,7 (3) 349,0 (3) 349,2 (6) 349,5 (3) 349,7 (4) 351,7 (3) 353,0 (4) 355,2 (6) 355,4 (3) 359,0 (3) 359,3 (6) 361,1 (4) 361,3 (3) 361,5 (3) 361,8 (3) 367,3 (6) 367,5 (3) 368,3 (3) 369,1 (4) 369,4 (6) 369,9 (7) 371,9 (3) 373,0 (6) 377,1 (4) 377,5 (3) 379,5 (12) 383,5 (3) 385,1 (3) 385,2 (4) 387,0 (3) 387,1 (3) 389,5 (6) 390,1 (7) 391,6 (6) 392,1 (3) 393,2 (4) 393,6 (3) 397,2 (3) 399,6 (6) 401,3 (4) 401,4 (3) 402,2 (3) 403,2 (3) 403,7 (6) 409,3 (7) 409,7 (9) 410,3 (7) 412,3 (3) 415,8 (6) 416,0 (3) 417,4 (4) 419,8 (6) 421,4 (3) 425,5 (4) 425,8 (3) 427,8 (6) 429,9 (6) 430,0 (3) 433,6 (7) 437,6 (3) 440,0 (12) 441,7 (4) 441,9 (3) 444,0 (3) 447,0 (3) 448,3 (4) 450,1 (6) 450,7 (7) 452,0 (6) 457,9 (4) 458,0 (3) 458,1 (3) 460,2 (6) 462,8 (3) 463,9 (3) 464,2 (6) 466,0 (4) 466,9 (7) 469,9 (3) 470,3 (6) 472,0 (3) 474,0 (4) 474,2 (3) 476,2 (6) 480,4 (6) 482,1 (7) 486,0 (3) 488,5 (9) 490,2 (4) 490,4 (3) 490,5 (6) 491,2 (7) 494,2 (3) 498,3 (4) 500,0 (3) 500,6 (12) 506,5 (3) 510,7 (6) 511,3 (3) 511,4 (4) 512,6 (6) 513,4 (3) 514,0 (3) 514,5 (4) 520,8 (6) 524,5 (3) 524,7 (5) 529,0 (3) 530,7 (4) 530,9 (6) 536,8 (5) 538,8 (7) 541,0 (6) 543,0 (3) 546,8 (4) 549,0 (5) 551,1 (6) 554,8 (3) 557,0 (3) 561,2 (11) 562,9 (4) 563,9 (3) 571,0 (3) 571,3 (6) 573,3 (5) 579,2 (4) 581,4 (6) 584,1 (3) 585,0 (3) 585,1 (3) 585,4 (5) 589,5 (3) 591,5 (6) 595,4 (4) 597,4 (5) 601,6 (6) 609,5 (5) 611,7 (6) 614,4 (3) 615,4 (3) 619,7 (4) 621,7 (5) 621,8 (6) 627,0 (4) 633,8 (5) 635,5 (3) 639,7 (3) 642,0 (6) 643,3 (4) 646,0 (5) 656,0 (3) 658,0 (5) 660,0 (4) 662,2 (6) 670,2 (5) 670,3 (3) 672,3 (6) 676,1 (3) 682,3 (5) 682,4 (6) 694,4 (5) 699,9 (4) 700,6 (3) 702,6 (6) 706,5 (5) 718,6 (5) 722,8 (6) 726,0 (3) 730,7 (5) 736,7 (3) 740,3 (4) 742,8 (5) 743,1 (6) 751,0 (3) 767,0 (3) 767,2 (5) 773,3 (6) 781,1 (4) 783,5 (6) 791,3 (5) 803,4 (5) 815,6 (5) 821,1 (4) 823,9 (6) 825,0 (3) 831,8 (3) 839,8 (5) 864,2 (5) 869,0 (3) 874,4 (6) 888,4 (5) 902,0 (4) 924,8 (5) 924,9 (6) 934,3 (4) 936,9 (5) 945,0 (3) 975,2 (6) 982,8 (4) 985,4 (5) 993,4 (3) 1023,3 (4) 1026,0 (6) 1046,0 (5) 1095,0 (3) 1167,3 (5) 1167,4 (6) 1252,0 (3)
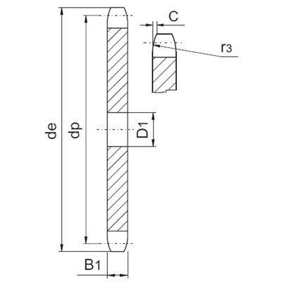
KOŁA ŁAŃCUCHOWE BEZ PIASTY
Pokazano 331-345 z 3197 pozycji
Aktywne filtry
Cena
410,48 zł
20B-1 - 47 zębów - koło łańcuchowe/tarcza łańcuchowa/zębatka łańcuchowa. Koło łańcuchowe produkowane jest z wysokiej jakości stali nadającej się do...
Cena
393,27 zł
20B-1 - 46 zębów - koło łańcuchowe/tarcza łańcuchowa/zębatka łańcuchowa. Koło łańcuchowe produkowane jest z wysokiej jakości stali nadającej się do...
Cena
377,16 zł
20B-1 - 45 zębów - koło łańcuchowe/tarcza łańcuchowa/zębatka łańcuchowa. Koło łańcuchowe produkowane jest z wysokiej jakości stali nadającej się do...
Cena
361,49 zł
20B-1 - 44 zębów - koło łańcuchowe/tarcza łańcuchowa/zębatka łańcuchowa. Koło łańcuchowe produkowane jest z wysokiej jakości stali nadającej się do...
Cena
345,67 zł
20B-1 - 43 zębów - koło łańcuchowe/tarcza łańcuchowa/zębatka łańcuchowa. Koło łańcuchowe produkowane jest z wysokiej jakości stali nadającej się do...
Cena
330,98 zł
20B-1 - 42 zębów - koło łańcuchowe/tarcza łańcuchowa/zębatka łańcuchowa. Koło łańcuchowe produkowane jest z wysokiej jakości stali nadającej się do...
Cena
316,29 zł
20B-1 - 41 zębów - koło łańcuchowe/tarcza łańcuchowa/zębatka łańcuchowa. Koło łańcuchowe produkowane jest z wysokiej jakości stali nadającej się do...
Cena
302,01 zł
20B-1 - 40 zębów - koło łańcuchowe/tarcza łańcuchowa/zębatka łańcuchowa. Koło łańcuchowe produkowane jest z wysokiej jakości stali nadającej się do...
Cena
287,88 zł
20B-1 - 39 zębów - koło łańcuchowe/tarcza łańcuchowa/zębatka łańcuchowa. Koło łańcuchowe produkowane jest z wysokiej jakości stali nadającej się do...
Cena
274,29 zł
20B-1 - 38 zębów - koło łańcuchowe/tarcza łańcuchowa/zębatka łańcuchowa. Koło łańcuchowe produkowane jest z wysokiej jakości stali nadającej się do...
Cena
260,87 zł
20B-1 - 37 zębów - koło łańcuchowe/tarcza łańcuchowa/zębatka łańcuchowa. Koło łańcuchowe produkowane jest z wysokiej jakości stali nadającej się do...
Cena
247,72 zł
20B-1 - 36 zębów - koło łańcuchowe/tarcza łańcuchowa/zębatka łańcuchowa. Koło łańcuchowe produkowane jest z wysokiej jakości stali nadającej się do...
Cena
233,86 zł
20B-1 - 35 zębów - koło łańcuchowe/tarcza łańcuchowa/zębatka łańcuchowa. Koło łańcuchowe produkowane jest z wysokiej jakości stali nadającej się do...
Cena
221,55 zł
20B-1 - 34 zębów - koło łańcuchowe/tarcza łańcuchowa/zębatka łańcuchowa. Koło łańcuchowe produkowane jest z wysokiej jakości stali nadającej się do...
