-
- USŁUGI
- AKCESORIA DO BRAM PRZESUWNYCH
- KOŁA ŁAŃCUCHOWE
- OCZYSZCZALNIE ŚCIEKÓW
- ŁAŃCUCHY TRANSPORTOWE WEBSTER
- LISTWY ZĘBATE
- KOŁA ZĘBATE
- ŁAŃCUCHY ROLKOWE
- ŁAŃCUCHY O PODWÓJNEJ PODZIAŁCE
- PŁYTKA PROSTA
- ŁAŃCUCHY PŁYTKOWE
- Łańcuchy rolkowe samosmarujące
- Łańcuchy rolkowe O-Ring
- Łańcuchy rolkowe z pustym sworzniem
- DO PRACY PO ŁUKU
- Łańcuchy rolkowe standardowe
- H - WZMOCNIONE
- HE - WZMOCNIONE
- SUPER - WZMOCNIONE
- Łańcuchy rolkowe wzmocnione
- SPINKI DO ŁAŃCUCHÓW
- Łańcuchy nierdzewne
- ŁAŃCUCHY TRANSPORTOWE
Filtruj według
Łańcuch
Łańcuch
-
(brak filtra) 03B-1 (144) 04B-1 (144) 05B-1 (144) 05B-2 (144) 06B-1 (155) 06B-2 (144) 06B-3 (144) 08B-1 (154) 08B-2 (144) 08B-3 (144) 10B-1 (155) 10B-2 (144) 10B-3 (144) 12B-1 (154) 12B-2 (144) 12B-3 (144) 16B-1 (152) 16B-2 (144) 16B-3 (144) 20B-1 (136) 20B-2 (136) 20B-3 (136) 24B-1 (130) 24B-2 (130) 24B-3 (130) 28B-1 (76) 28B-2 (76) 28B-3 (76) 32B-1 (64) 32B-2 (64) 32B-3 (64) 081B-1 (142) 083B/084B-1 (142)
Liczba zębów[Z]
Liczba zębów[Z]
-
(brak filtra) 8 (64) 9 (66) 10 (66) 11 (66) 12 (67) 13 (71) 14 (66) 15 (71) 16 (71) 17 (71) 18 (71) 19 (71) 20 (71) 21 (71) 22 (66) 23 (70) 24 (66) 25 (70) 26 (66) 27 (66) 28 (66) 29 (66) 30 (69) 31 (60) 32 (66) 33 (60) 34 (60) 35 (66) 36 (60) 37 (60) 38 (66) 39 (60) 40 (66) 41 (54) 42 (54) 43 (54) 44 (54) 45 (66) 46 (54) 47 (54) 48 (54) 49 (54) 50 (66) 51 (54) 52 (54) 53 (54) 54 (54) 55 (54) 56 (54) 57 (66) 58 (54) 59 (54) 60 (66) 62 (54) 64 (54) 65 (54) 66 (54) 68 (54) 70 (54) 72 (54) 75 (50) 76 (66) 78 (42) 80 (54) 85 (54) 90 (54) 95 (48) 100 (48) 110 (42) 114 (48) 120 (42) 125 (42)
Średnica zewnętrzna[de]
Średnica zewnętrzna[de]
-
(brak filtra) 15,2 (2) 16,8 (2) 18,0 (2) 18,3 (2) 19,9 (4) 21,5 (2) 21,7 (2) 23,0 (2) 23,6 (2) 24,0 (4) 24,6 (2) 25,4 (2) 26,2 (2) 26,6 (4) 27,3 (2) 27,8 (2) 28,0 (6) 29,2 (6) 29,4 (2) 30,9 (2) 31,0 (8) 31,7 (4) 32,5 (2) 33,0 (2) 34,0 (6) 34,1 (2) 34,2 (4) 35,0 (2) 35,7 (2) 36,7 (4) 36,9 (2) 37,0 (6) 37,2 (6) 37,3 (2) 38,5 (2) 38,8 (2) 38,9 (2) 39,2 (4) 40,0 (6) 40,5 (2) 40,7 (2) 41,0 (6) 41,5 (4) 41,7 (4) 42,0 (2) 42,6 (2) 43,0 (7) 43,6 (2) 44,3 (4) 44,5 (2) 45,2 (8) 46,2 (4) 46,3 (6) 46,4 (2) 46,8 (6) 47,0 (6) 48,3 (2) 48,4 (2) 48,7 (6) 49,3 (11) 49,6 (4) 50,0 (2) 50,2 (2) 51,6 (2) 51,9 (4) 52,1 (2) 52,3 (7) 52,6 (6) 53,0 (7) 53,2 (2) 53,9 (4) 54,0 (2) 54,4 (4) 54,8 (2) 55,3 (7) 55,9 (2) 56,3 (2) 57,0 (4) 57,4 (6) 57,5 (6) 57,6 (6) 57,8 (2) 57,9 (3) 58,3 (7) 58,4 (4) 59,5 (6) 59,8 (2) 61,1 (2) 61,3 (7) 61,7 (2) 61,8 (6) 62,0 (10) 62,7 (2) 62,8 (4) 63,0 (6) 63,6 (2) 64,3 (9) 64,6 (4) 65,5 (8) 65,9 (3) 66,8 (4) 67,4 (2) 67,5 (6) 68,0 (13) 69,0 (6) 69,1 (2) 69,3 (2) 69,5 (10) 69,9 (1) 70,6 (2) 70,9 (4) 71,0 (6) 71,2 (2) 72,2 (6) 73,0 (7) 73,1 (2) 73,5 (7) 73,6 (6) 73,8 (2) 74,0 (1) 74,8 (4) 74,9 (4) 75,0 (8) 75,4 (2) 76,9 (2) 77,0 (14) 77,3 (4) 77,8 (6) 78,0 (7) 78,6 (2) 78,9 (6) 79,8 (4) 80,0 (7) 80,2 (2) 80,8 (2) 81,5 (6) 81,7 (6) 81,8 (2) 82,0 (1) 82,4 (4) 82,7 (2) 82,9 (4) 83,0 (13) 83,4 (2) 84,7 (2) 84,9 (4) 85,0 (8) 85,8 (6) 86,0 (7) 86,6 (4) 86,9 (4) 87,5 (11) 88,0 (7) 88,1 (2) 88,5 (2) 89,0 (6) 89,7 (8) 90,0 (4) 90,1 (1) 90,4 (2) 91,0 (4) 91,3 (2) 92,0 (6) 92,3 (2) 92,5 (4) 92,9 (2) 93,0 (13) 93,6 (6) 93,8 (6) 94,2 (2) 94,5 (2) 94,7 (7) 95,0 (8) 96,1 (4) 97,6 (4) 97,7 (2) 98,0 (2) 98,1 (7) 98,2 (6) 98,3 (13) 99,0 (4) 99,8 (7) 99,9 (2) 100,2 (4) 100,9 (2) 101,3 (6) 101,5 (6) 101,8 (8) 102,7 (4) 103,0 (4) 103,3 (7) 103,7 (2) 104,1 (2) 104,3 (6) 105,3 (4) 105,5 (7) 105,6 (4) 105,8 (6) 106,2 (1) 107,1 (4) 107,2 (2) 107,3 (6) 107,6 (2) 107,8 (4) 108,0 (6) 108,4 (7) 109,0 (6) 109,5 (2) 110,0 (6) 110,4 (12) 111,2 (2) 111, 2 (2) 111,4 (2) 111,5 (7) 112,9 (4) 113,3 (2) 113,4 (13) 113,6 (2) 114,0 (6) 115,0 (6) 115,2 (2) 115,4 (4) 115,5 (4) 116,4 (6) 116,8 (2) 117,0 (7) 117,1 (2) 117,9 (6) 118,0 (23) 119,4 (4) 119,5 (6) 120,6 (4) 120,9 (2) 121,6 (2) 122,0 (6) 122,5 (6) 123,1 (6) 123,4 (5) 123,5 (6) 124,2 (7) 124,7 (2) 125,0 (6) 125,5 (6) 125,6 (4) 126,1 (6) 126,3 (3) 126,4 (6) 126,6 (2) 127,5 (4) 127,8 (6) 128,2 (4) 128,3 (6) 128,5 (8) 129,5 (2) 129,7 (7) 130,2 (6) 130,7 (4) 131,5 (4) 131,6 (6) 132,0 (6) 132,4 (2) 133,0 (7) 133,3 (4) 134,0 (7) 134,3 (6) 134,6 (6) 135,5 (4) 135,8 (4) 136,0 (7) 136,2 (2) 137,5 (2) 137,6 (6) 137,8 (6) 138,0 (6) 138,4 (10) 139,0 (6) 139,6 (4) 140,0 (2) 140,7 (6) 140,9 (4) 141,0 (7) 141,8 (6) 142,6 (6) 143,5 (4) 143,6 (4) 143,7 (6) 144,0 (6) 145,4 (2) 145,7 (2) 146,0 (4) 146,7 (12) 147,6 (6) 147,8 (6) 148,4 (6) 148,6 (4) 148,7 (6) 149,0 (14) 149,7 (6) 150,0 (6) 151,0 (10) 151,5 (2) 151,7 (4) 152,7 (6) 153,2 (6) 153,4 (2) 153,6 (4) 153,8 (6) 153,9 (6) 154,6 (6) 155,3 (2) 155,7 (10) 156,2 (4) 157,0 (7) 157,8 (6) 158,6 (6) 158,7 (6) 158,8 (7) 159,8 (4) 160,0 (7) 161,3 (2) 161,8 (6) 162,0 (10) 162,3 (6) 162,7 (6) 163,8 (4) 163,9 (6) 164,8 (8) 165,2 (7) 165,9 (6) 166,8 (6) 167,1 (4) 167,8 (10) 167,9 (6) 168,9 (6) 169,0 (6) 169,6 (4) 170,8 (6) 171,4 (10) 172,2 (4) 172,3 (6) 173,2 (7) 173,8 (6) 174,2 (6) 174,4 (2) 174,5 (6) 175,4 (10) 176,3 (6) 176,9 (6) 177,2 (2) 177,3 (4) 177,9 (6) 178,0 (6) 179,0 (6) 179,5 (4) 179,7 (6) 179,9 (6) 181,2 (7) 182,4 (4) 183,0 (6) 183,5 (4) 183,6 (2) 183,8 (6) 183,9 (2) 184,1 (12) 185,0 (6) 186,0 (6) 186,2 (6) 187,5 (8) 187,9 (6) 188,0 (6) 189,1 (6) 189,3 (6) 189,5 (6) 190,5 (6) 191,6 (4) 192,1 (12) 193,2 (2) 193,5 (2) 194,2 (6) 195,1 (4) 195,6 (4) 196,2 (6) 196,3 (6) 197,5 (6) 197,7 (4) 198,0 (6) 198,2 (12) 199,2 (6) 199,7 (4) 200,3 (6) 200,8 (6) 201,1 (2) 201,6 (6) 202,8 (4) 203,3 (6) 203,7 (4) 204,2 (12) 204,3 (6) 204,6 (6) 205,5 (6) 207,8 (4) 207,9 (4) 208,1 (6) 208,3 (6) 209,3 (12) 210,3 (6) 210,7 (6) 211,8 (4) 212,1 (6) 212,6 (2) 213,5 (6) 214,6 (6) 214,8 (6) 215,9 (4) 216,1 (6) 216,7 (6) 216,8 (6) 218,1 (6) 218,2 (6) 219,9 (10) 220,2 (8) 220,6 (4) 221,0 (6) 221,6 (6) 222,3 (6) 222,8 (6) 224,0 (4) 224,1 (6) 224,9 (6) 226,8 (6) 228,0 (4) 228,1 (6) 228,2 (6) 229,6 (6) 230,0 (6) 231,7 (2) 231,9 (6) 232,1 (4) 232,2 (6) 232,3 (6) 232,8 (6) 232,9 (6) 233,4 (4) 234,3 (6) 234,9 (6) 235,0 (6) 236,1 (4) 236,4 (6) 237,7 (6) 238,3 (6) 239,0 (6) 240,1 (6) 240,2 (4) 240,5 (6) 241,0 (6) 241,2 (2) 244,2 (4) 244,5 (6) 245,1 (12) 245,8 (6) 246,1 (4) 246,3 (6) 246,5 (6) 247,1 (6) 248,2 (4) 248,3 (6) 248,6 (6) 248,8 (6) 250,2 (6) 251,3 (6) 254,0 (6) 255,2 (6) 256,7 (4) 256,9 (6) 257,3 (6) 258,4 (6) 258,6 (6) 258,9 (4) 260,0 (6) 260,3 (6) 262,0 (6) 262,2 (6) 264,5 (6) 264,8 (10) 265,1 (6) 265,3 (6) 268,5 (6) 268,8 (4) 269,0 (6) 270,0 (6) 270,4 (6) 270,5 (6) 270,6 (6) 272,9 (4) 273,0 (6) 274,0 (6) 275,4 (6) 276,5 (6) 277,4 (6) 278,5 (6) 278,6 (6) 280,5 (6) 280,9 (10) 281,0 (6) 282,5 (6) 282,7 (6) 284,3 (4) 285,5 (6) 287,0 (6) 287,9 (6) 288,6 (6) 289,0 (16) 290,6 (6) 292,5 (6) 294,0 (6) 294,5 (4) 294,8 (6) 296,0 (6) 296,2 (6) 296,9 (6) 297,1 (4) 297,2 (6) 298,7 (6) 300,1 (6) 300,7 (6) 303,0 (6) 304,6 (6) 305,7 (6) 306,2 (6) 306,8 (6) 307,7 (6) 308,8 (6) 309,2 (6) 310,0 (4) 310,8 (6) 312,3 (6) 312,6 (6) 313,0 (6) 313,3 (10) 317,0 (6) 318,4 (6) 318,9 (6) 319,0 (6) 320,7 (6) 321,4 (16) 322,5 (4) 324,5 (6) 328,8 (6) 329,0 (6) 329,1 (6) 329,4 (10) 330,5 (6) 331,0 (12) 331,5 (6) 336,5 (6) 336,6 (6) 336,9 (6) 338,0 (6) 339,1 (6) 341,6 (6) 342,7 (6) 343,2 (6) 345,0 (12) 345,2 (6) 348,7 (6) 349,0 (6) 349,2 (6) 349,5 (6) 349,7 (4) 351,7 (6) 353,0 (6) 355,2 (6) 355,4 (6) 359,0 (6) 359,3 (6) 361,1 (6) 361,3 (6) 361,5 (6) 361,8 (6) 367,3 (6) 367,5 (6) 368,3 (6) 369,1 (6) 369,4 (6) 369,9 (10) 371,9 (6) 373,0 (12) 377,1 (6) 377,5 (6) 379,5 (12) 383,5 (6) 385,1 (6) 385,2 (6) 387,0 (6) 387,1 (6) 389,5 (6) 390,1 (10) 391,6 (6) 392,1 (6) 393,2 (6) 393,6 (6) 397,2 (6) 399,6 (6) 401,3 (6) 401,4 (6) 402,2 (6) 403,2 (6) 403,7 (6) 409,3 (12) 409,7 (12) 410,3 (10) 412,3 (6) 415,8 (6) 416,0 (6) 417,4 (6) 419,8 (6) 421,4 (6) 425,5 (6) 425,8 (6) 427,8 (6) 429,9 (6) 430,0 (6) 433,6 (12) 437,6 (6) 440,0 (12) 441,7 (6) 441,9 (6) 444,0 (6) 447,0 (6) 448,3 (6) 450,1 (6) 450,7 (10) 452,0 (6) 457,9 (6) 458,0 (6) 458,1 (6) 460,2 (6) 462,8 (6) 463,9 (6) 464,2 (6) 466,0 (6) 466,9 (10) 469,9 (6) 470,3 (6) 472,0 (6) 474,0 (6) 474,2 (6) 476,2 (6) 480,4 (6) 482,1 (12) 486,0 (6) 488,5 (12) 490,2 (6) 490,4 (6) 490,5 (6) 491,2 (10) 494,2 (6) 498,3 (6) 500,0 (6) 500,6 (12) 506,5 (6) 510,7 (6) 511,3 (6) 511,4 (4) 512,6 (6) 513,4 (6) 514,0 (6) 514,5 (6) 520,8 (6) 524,5 (6) 524,7 (6) 529,0 (6) 530,7 (6) 530,9 (6) 536,8 (6) 538,8 (12) 541,0 (6) 543,0 (6) 546,8 (6) 549,0 (6) 551,1 (6) 554,8 (6) 557,0 (6) 561,2 (12) 562,9 (6) 563,9 (6) 571,0 (6) 571,3 (6) 573,3 (6) 579,2 (6) 581,4 (6) 584,1 (6) 585,0 (6) 585,1 (6) 585,4 (6) 589,5 (6) 591,5 (6) 595,4 (6) 597,4 (6) 601,6 (6) 609,5 (6) 611,7 (6) 614,4 (6) 615,4 (6) 619,7 (6) 621,7 (6) 621,8 (6) 627,0 (6) 633,8 (6) 635,5 (6) 639,7 (6) 642,0 (6) 643,3 (6) 646,0 (6) 656,0 (6) 658,0 (6) 660,0 (6) 662,2 (6) 670,2 (6) 670,3 (6) 672,3 (6) 676,1 (6) 682,3 (6) 682,4 (6) 694,4 (6) 699,9 (6) 700,6 (6) 702,6 (6) 706,5 (6) 718,6 (6) 722,8 (6) 726,0 (6) 730,7 (6) 736,7 (6) 740,3 (6) 742,8 (6) 743,1 (6) 751,0 (6) 767,0 (6) 767,2 (6) 773,3 (6) 781,1 (6) 783,5 (6) 791,3 (6) 803,4 (6) 815,6 (6) 821,1 (6) 823,9 (6) 825,0 (6) 831,8 (6) 839,8 (6) 864,2 (6) 869,0 (6) 874,4 (6) 888,4 (6) 902,0 (6) 924,8 (6) 924,9 (6) 934,3 (6) 936,9 (6) 945,0 (6) 975,2 (6) 982,8 (6) 985,4 (6) 993,4 (6) 1023,3 (6) 1026,0 (6) 1046,0 (6) 1095,0 (6) 1167,3 (6) 1167,4 (6) 1252,0 (6)
KOŁA ŁAŃCUCHOWE Z PIASTĄ
Pokazano 331-345 z 4432 pozycji
Aktywne filtry
Cena
0,00 zł
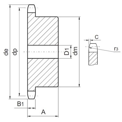
Koło łańcuchowe 28B-2 27 zębów, z piastą i otworem wstępnym. Pasuje do łańcuchów rolkowych 28B-2 (1″3/4 x 1″1/4) wykonanych wg normy DIN, PN, ISO....
Cena
0,00 zł
Koło łańcuchowe 28B-2 26 zębów, z piastą i otworem wstępnym. Pasuje do łańcuchów rolkowych 28B-2 (1″3/4 x 1″1/4) wykonanych wg normy DIN, PN, ISO....
Cena
0,00 zł
Koło łańcuchowe 28B-2 25 zębów, z piastą i otworem wstępnym. Pasuje do łańcuchów rolkowych 28B-2 (1″3/4 x 1″1/4) wykonanych wg normy DIN, PN, ISO....
Cena
0,00 zł
Koło łańcuchowe 28B-2 24 zębów, z piastą i otworem wstępnym. Pasuje do łańcuchów rolkowych 28B-2 (1″3/4 x 1″1/4) wykonanych wg normy DIN, PN, ISO....
Cena
0,00 zł
Koło łańcuchowe 28B-2 23 zębów, z piastą i otworem wstępnym. Pasuje do łańcuchów rolkowych 28B-2 (1″3/4 x 1″1/4) wykonanych wg normy DIN, PN, ISO....
Cena
0,00 zł
Koło łańcuchowe 28B-2 22 zębów, z piastą i otworem wstępnym. Pasuje do łańcuchów rolkowych 28B-2 (1″3/4 x 1″1/4) wykonanych wg normy DIN, PN, ISO....
Cena
0,00 zł
Koło łańcuchowe 28B-2 21 zębów, z piastą i otworem wstępnym. Pasuje do łańcuchów rolkowych 28B-2 (1″3/4 x 1″1/4) wykonanych wg normy DIN, PN, ISO....
Cena
0,00 zł
Koło łańcuchowe 28B-2 20 zębów, z piastą i otworem wstępnym. Pasuje do łańcuchów rolkowych 28B-2 (1″3/4 x 1″1/4) wykonanych wg normy DIN, PN, ISO....
Cena
0,00 zł
Koło łańcuchowe 28B-2 19 zębów, z piastą i otworem wstępnym. Pasuje do łańcuchów rolkowych 28B-2 (1″3/4 x 1″1/4) wykonanych wg normy DIN, PN, ISO....
Cena
0,00 zł
Koło łańcuchowe 28B-2 18 zębów, z piastą i otworem wstępnym. Pasuje do łańcuchów rolkowych 28B-2 (1″3/4 x 1″1/4) wykonanych wg normy DIN, PN, ISO....
Cena
0,00 zł
Koło łańcuchowe 28B-2 17 zębów, z piastą i otworem wstępnym. Pasuje do łańcuchów rolkowych 28B-2 (1″3/4 x 1″1/4) wykonanych wg normy DIN, PN, ISO....
Cena
0,00 zł
Koło łańcuchowe 28B-2 16 zębów, z piastą i otworem wstępnym. Pasuje do łańcuchów rolkowych 28B-2 (1″3/4 x 1″1/4) wykonanych wg normy DIN, PN, ISO....
Cena
0,00 zł
Koło łańcuchowe 28B-2 15 zębów, z piastą i otworem wstępnym. Pasuje do łańcuchów rolkowych 28B-2 (1″3/4 x 1″1/4) wykonanych wg normy DIN, PN, ISO....
Cena
0,00 zł
Koło łańcuchowe 28B-2 14 zębów, z piastą i otworem wstępnym. Pasuje do łańcuchów rolkowych 28B-2 (1″3/4 x 1″1/4) wykonanych wg normy DIN, PN, ISO....
